- Country
- United States of America (USA)
- Manufacturer / Brand
- Philco, Philadelphia Stg. Batt. Co.; USA
- Year
- 1937/1938
- Category
- Broadcast Receiver - or past WW2 Tuner
- Radiomuseum.org ID
- 137498
Click on the schematic thumbnail to request the schematic as a free document.
- Number of Tubes
- 5
- Main principle
- Superheterodyne (common); ZF/IF 470 kHz
- Wave bands
- Broadcast and Short Wave (SW).
- Power type and voltage
- AC/DC-set / 115 Volt
- Loudspeaker
- Electro Magnetic Dynamic LS (moving-coil with field excitation coil)
- Power out
- 1 W (unknown quality)
- Material
- Wooden case
- from Radiomuseum.org
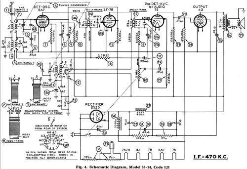
- Model: 38-14CS - Philco, Philadelphia Stg. Batt
- Shape
- Console: Chairside Radio.
- Circuit diagram reference
- Rider's Perpetual, Volume 8 = 1937 and before
- Mentioned in
- Philco Radio 1928-1942
- Literature/Schematics (1)
- Philco Service Bulletin # 288
- Author
- Model page created by Thomas Albrecht. See "Data change" for further contributors.
- Other Models
-
Here you find 4126 models, 2231 with images and 3774 with schematics for wireless sets etc. In French: TSF for Télégraphie sans fil.
All listed radios etc. from Philco, Philadelphia Stg. Batt. Co.; USA