42-1002P Radio-Phonograph Code 121
Philco, Philadelphia Stg. Batt. Co.; USA
- Country
- United States of America (USA)
- Manufacturer / Brand
- Philco, Philadelphia Stg. Batt. Co.; USA
- Year
- 1941/1942
- Category
- Broadcast Receiver - or past WW2 Tuner
- Radiomuseum.org ID
- 50777
Click on the schematic thumbnail to request the schematic as a free document.
- Number of Tubes
- 6
- Main principle
- Superhet with RF-stage; ZF/IF 455 kHz; 2 AF stage(s)
- Wave bands
- Broadcast only (MW).
- Details
- Record Player (not changer)
- Power type and voltage
- Alternating Current supply (AC) / 115 Volt
- Loudspeaker
- Permanent Magnet Dynamic (PDyn) Loudspeaker (moving coil) / Ø 6 inch = 15.2 cm
- Power out
- 1.5 W (unknown quality)
- Material
- Wooden case
- from Radiomuseum.org
- Model: 42-1002P Radio-Phonograph [Code 121] - Philco, Philadelphia Stg. Batt
- Shape
- Tablemodel, with any shape - general.
- Notes
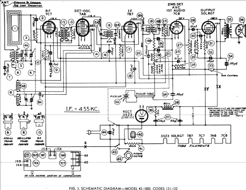
- Codes 121 and 122 are similar in design except for the speakers, rectifier tube and rectifier circuit.
- Price in first year of sale
- 40.00 $
- External source of data
- Ernst Erb
- Source of data
- Collector's Guide to Antique Radios 4. Edition
- Circuit diagram reference
- Rider's Perpetual, Volume 14 = 1944 = before 1943
- Literature/Schematics (1)
- Philco Radio 1928-1942 (Philco 1942 RMS Year Book)
- Other Models
-
Here you find 4120 models, 2227 with images and 3768 with schematics for wireless sets etc. In French: TSF for Télégraphie sans fil.
All listed radios etc. from Philco, Philadelphia Stg. Batt. Co.; USA