- Land
- USA
- Hersteller / Marke
- Philco, Philadelphia Stg. Batt. Co.; USA
- Jahr
- 1941/1942
- Kategorie
- Rundfunkempfänger (Radio - oder Tuner nach WW2)
- Radiomuseum.org ID
- 50829
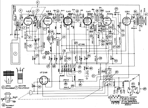
Klicken Sie auf den Schaltplanausschnitt, um diesen kostenlos als Dokument anzufordern.
- Anzahl Röhren
- 7
- Hauptprinzip
- Superhet allgemein; ZF/IF 455 kHz; 2 NF-Stufe(n)
- Wellenbereiche
- Mittelwelle, keine anderen.
- Betriebsart / Volt
- Netz- / Batteriespeisung / 115; 90 & 9 Volt
- Lautsprecher
- Dynamischer LS, keine Erregerspule (permanentdynamisch)
- Material
- Leder / Stoff / Plastic / Segeltuch über div. Material
- von Radiomuseum.org
- Modell: 42-842T - Philco, Philadelphia Stg. Batt
- Form
- Reisegerät > 20 cm (netzunabhängig betreibbar)
- Abmessungen (BHT)
- 13.5 x 10.8 x 6.25 inch / 343 x 274 x 159 mm
- Bemerkung
- Models 42-842T, 42-843T, and 42-844T are similar except for cabinets.
- Datenherkunft extern
- Ernst Erb
- Datenherkunft
- Collector's Guide to Antique Radios 4. Edition
- Schaltungsnachweis
- Rider's Perpetual, Volume 14 = 1944 = before 1943
- Literaturnachweis
- Philco Radio 1928-1942
- Literatur/Schema (1)
- Philco 1942 RMS Year Book
- Weitere Modelle
-
Hier finden Sie 4120 Modelle, davon 2227 mit Bildern und 3768 mit Schaltbildern.
Alle gelisteten Radios usw. von Philco, Philadelphia Stg. Batt. Co.; USA
Sammlungen
Das Modell 42-842T befindet sich in den Sammlungen folgender Mitglieder.