51-1730 (L) (511730L)
Philco, Philadelphia Stg. Batt. Co.; USA
- Country
- United States of America (USA)
- Manufacturer / Brand
- Philco, Philadelphia Stg. Batt. Co.; USA
- Year
- 1951
- Category
- Broadcast Receiver - or past WW2 Tuner
- Radiomuseum.org ID
- 50994
Click on the schematic thumbnail to request the schematic as a free document.
- Number of Tubes
- 6
- Main principle
- Superhet with RF-stage; ZF/IF 455 kHz; 2 AF stage(s)
- Tuned circuits
- 7 AM circuit(s)
- Wave bands
- Broadcast only (MW).
- Details
- Changer (Record changer)
- Power type and voltage
- Alternating Current supply (AC) / 117 Volt
- Loudspeaker
- Permanent Magnet Dynamic (PDyn) Loudspeaker (moving coil) / Ø 8 inch = 20.3 cm
- Power out
- 3 W (unknown quality)
- Material
- Wooden case
- from Radiomuseum.org
- Model: 51-1730 - Philco, Philadelphia Stg. Batt
- Shape
- Console with any shape - in general
- Notes
-
Finish: White Oak.
Automatic Record Changer M22.
- External source of data
- Ernst Erb
- Source of data
- The Radio Collector's Directory and Price Guide 1921 - 1965
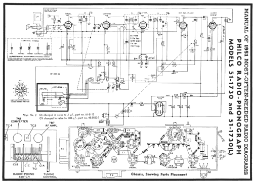
- Circuit diagram reference
- Rider's Perpetual, Volume 21, Copyright 1950
- Literature/Schematics (1)
- Beitman Radio Diagrams, Vol. 11, 1951
- Literature/Schematics (2)
- Photofact Folder, Howard W. SAMS (Date 7-1951, Set 140, Folder 8)
- Other Models
-
Here you find 4126 models, 2231 with images and 3774 with schematics for wireless sets etc. In French: TSF for Télégraphie sans fil.
All listed radios etc. from Philco, Philadelphia Stg. Batt. Co.; USA