51-T1870 (Code 121)
Philco, Philadelphia Stg. Batt. Co.; USA
- Pays
- Etats-Unis
- Fabricant / Marque
- Philco, Philadelphia Stg. Batt. Co.; USA
- Année
- 1951 ?
- Catégorie
- Récepteur de télévision ou moniteur
- Radiomuseum.org ID
- 348202
Cliquez sur la vignette du schéma pour le demander en tant que document gratuit.
- No. de tubes
- 26
- Lampes / Tubes
- 6CB6 12AV7 6AU6 6AU6 6AU6 6CB6 12AU7 12AV7 6AQ5 6AU6 6T8 6Y6G 12AU7 7N7 6S4 6SN7GT 6CD6G 6BY5G 1B3GT 1X2 5U4G 5U4G 7A8 7B7 7B6 17BP4A
- Principe général
- Super hétérodyne avec étage HF
- Gammes d'ondes
- Bandes en notes
- Tension / type courant
- Alimentation Courant Alternatif (CA) / 60 Hz, 117V = 110 -120 Volt
- Haut-parleur
- HP dynamique à aimant permanent + bobine mobile
- Matière
- Boitier en bois
- De Radiomuseum.org
- Modèle: 51-T1870 - Philco, Philadelphia Stg. Batt
- Forme
- Console de forme générique
- Remarques
-
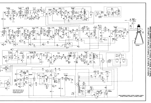
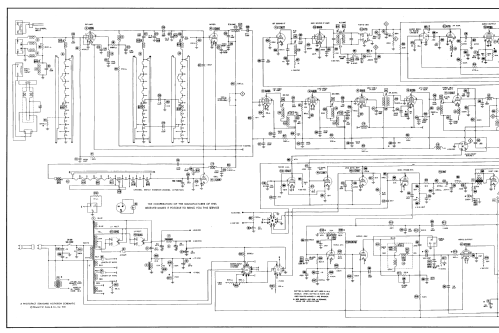
Philco model 51-T1870 is a 17” b/w TV with US standard VHF tuner channels 2 thru 13.
Equipped with a VHF tuner, a TV-AM - phono combination and picture tube 17BP4A. Radio-tubes are present in parts-list but no further data of radio and record player available.
- Schémathèque (1)
- Photofact Folder, Howard W. SAMS (Set 135, folder 10, dated 6-51)
- Auteur
- Modèle crée par Dirk Taekels. Voir les propositions de modification pour les contributeurs supplémentaires.
- D'autres Modèles
-
Vous pourrez trouver sous ce lien 4120 modèles d'appareils, 2228 avec des images et 3768 avec des schémas.
Tous les appareils de Philco, Philadelphia Stg. Batt. Co.; USA