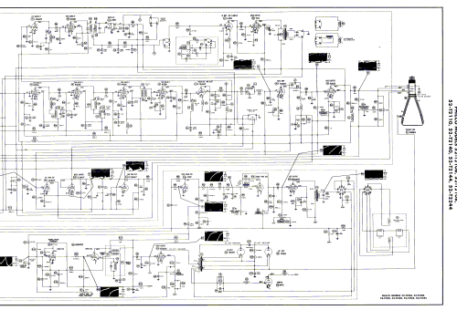
52-T2252 Ch= 41, sweep ch= D1 (code 121)
Philco, Philadelphia Stg. Batt. Co.; USA
- Pays
- Etats-Unis
- Fabricant / Marque
- Philco, Philadelphia Stg. Batt. Co.; USA
- Année
- 1952 ?
- Catégorie
- Récepteur de télévision ou moniteur
- Radiomuseum.org ID
- 360363
Cliquez sur la vignette du schéma pour le demander en tant que document gratuit.
- No. de tubes
- 21
- Lampes / Tubes
- 6BQ7 12AV7 or 12AZ7 6AU6 6AU6 6AU6 6CB6 12AU7 12AU7 or 12AV7 6AQ5 6AU6 6T8 7C5 12AV7 or 12AU7 7N7 6BQ6GT 6SN7GT 6CD6GT 6V3 1B3GT 1X2A or 1X2 20DP4
- Principe général
- Super hétérodyne avec étage HF
- Gammes d'ondes
- Bandes en notes
- Tension / type courant
- Alimentation Courant Alternatif (CA) / 60Hz, 117V=110-120 Volt
- Haut-parleur
- HP dynamique oval à aimant permanent / Ø 6 inch = 15.2 cm
- Matière
- Plastique moderne (pas de bakélite, ni de catalin)
- De Radiomuseum.org
- Modèle: 52-T2252 Ch= 41, sweep ch= D1 - Philco, Philadelphia Stg. Batt
- Forme
- Modèle de table générique
- Remarques
-
Philco model 52-T2252 is a 20” b/w TV with US standard VHF tuner channels 2 thru 13. Equipped with VHF tuner 76-7070 and picture tube 20DP4.
- Schémathèque (1)
- Photofact Folder, Howard W. SAMS (Set 190, folder 1, dated 1-53)
- Schémathèque (2)
- Photofact Folder, Howard W. SAMS (Set 171, folder 9, dated 6-52)
- Auteur
- Modèle crée par Dirk Taekels. Voir les propositions de modification pour les contributeurs supplémentaires.
- D'autres Modèles
-
Vous pourrez trouver sous ce lien 4120 modèles d'appareils, 2227 avec des images et 3768 avec des schémas.
Tous les appareils de Philco, Philadelphia Stg. Batt. Co.; USA