53-T2268 (Code 126) Ch= 91
Philco, Philadelphia Stg. Batt. Co.; USA
- País
- Estados Unidos
- Fabricante / Marca
- Philco, Philadelphia Stg. Batt. Co.; USA
- Año
- 1953 ?
- Categoría
- Televisión (TV) o monitor
- Radiomuseum.org ID
- 358905
Haga clic en la miniatura esquemática para solicitarlo como documento gratuito.
- Numero de valvulas
- 22
- Válvulas
- 6BZ7 12AZ7 6CB6 6CB6 6CB6 6CB6 6U8 6AQ5 6AU6 6BA6 6AU6 6T8 6V6GT 12AU7 12AU7 12BH7 6AL5 12AU7 6BQ6GT 6AX4GT 1B3GT 21EP4A
- Principio principal
- Superheterodino con paso previo de RF
- Gama de ondas
- Bandas de recepción puestas en notas.
- Tensión de funcionamiento
- Red: Corriente alterna (CA, Inglés = AC) / 60Hz, 117V=110-120 Volt
- Altavoz
- Altavoz electrodinámico (bobina de campo)
- Material
- Madera
- de Radiomuseum.org
- Modelo: 53-T2268 Ch= 91 - Philco, Philadelphia Stg. Batt
- Forma
- Consola en general
- Anotaciones
-
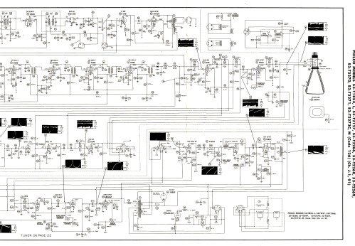
Philco model 53-T2268 is a 21” b/w TV with US standard VHF tuner channels 2 thru 13. Equipped with chassis 91, VHF tuner 76-7600 and picture tube 21EP4A.
- Documentación / Esquemas (1)
- Photofact Folder, Howard W. SAMS (Set 185, folder 10, dated 11-52)
- Autor
- Modelo creado por Dirk Taekels. Ver en "Modificar Ficha" los participantes posteriores.
- Otros modelos
-
Donde encontrará 4120 modelos, 2227 con imágenes y 3768 con esquemas.
Ir al listado general de Philco, Philadelphia Stg. Batt. Co.; USA