53-T2270 (Code 126) Ch= 91
Philco, Philadelphia Stg. Batt. Co.; USA
- Produttore / Marca
- Philco, Philadelphia Stg. Batt. Co.; USA
- Anno
- 1953 ?
- Categoria
- Televisore (TV) / Monitor
- Radiomuseum.org ID
- 358903
Clicca sulla miniatura dello schema per richiederlo come documento gratuito.
- Numero di tubi
- 22
- Valvole
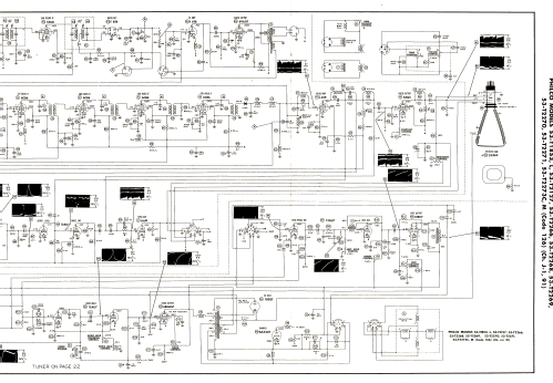
- 6BZ7 12AZ7 6CB6 6CB6 6CB6 6CB6 6U8 6AQ5 6AU6 6BA6 6AU6 6T8 6V6GT 12AU7 12AU7 12BH7 6AL5 12AU7 6BQ6GT 6AX4GT 1B3GT 21EP4A
- Principio generale
- Supereterodina con stadio RF
- Gamme d'onda
- Gamme d'onda nelle note.
- Tensioni di funzionamento
- Alimentazione a corrente alternata (CA) / 60Hz, 117V=110-120 Volt
- Altoparlante
- AP elettrodinamico (bobina mobile e bobina di eccitazione/di campo)
- Materiali
- Mobile in legno
- Radiomuseum.org
- Modello: 53-T2270 Ch= 91 - Philco, Philadelphia Stg. Batt
- Forma
- Console di qualsiasi tipo
- Annotazioni
-
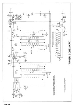
Philco model 53-T2270 is a 21” b/w TV with US standard VHF tuner channels 2 thru 13. Equipped with chassis 91, VHF tuner 76-7600 and picture tube 21EP4A.
- Letteratura / Schemi (1)
- Photofact Folder, Howard W. SAMS (Set 185, folder 10, dated 11-52)
- Autore
- Modello inviato da Dirk Taekels. Utilizzare "Proponi modifica" per inviare ulteriori dati.
- Altri modelli
-
In questo link sono elencati 4120 modelli, di cui 2227 con immagini e 3768 con schemi.
Elenco delle radio e altri apparecchi della Philco, Philadelphia Stg. Batt. Co.; USA