53-U1853L Ch= 91, J-1 Code 126
Philco, Philadelphia Stg. Batt. Co.; USA
- Country
- United States of America (USA)
- Manufacturer / Brand
- Philco, Philadelphia Stg. Batt. Co.; USA
- Year
- 1953
- Category
- Television Receiver (TV) or Monitor
- Radiomuseum.org ID
- 254325
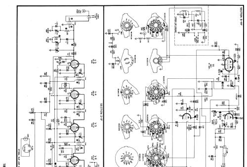
Click on the schematic thumbnail to request the schematic as a free document.
- Number of Tubes
- 22
- Valves / Tubes
- 6BQ7 or 6BZ7 12AZ7 6CB6 6CB6 6CB6 6CB6 6U8 6AQ5 6BA6 6AU6 6T8 6V6GT 6AU6 12AU7 12AU7 12BH7 6AL5 12AU7 6BQ6GT 6AX4GT 1B3GT 17YP4
- Main principle
- Superhet with RF-stage
- Wave bands
- VHF incl. FM and/or UHF (see notes for details)
- Power type and voltage
- Alternating Current supply (AC) / 60 cycles, 117 Volt
- Loudspeaker
- Permanent or electro-dynamic (moving coil), system not known yet.
- Material
- Wooden case
- from Radiomuseum.org
- Model: 53-U1853L Ch= 91, J-1 [Code 126] - Philco, Philadelphia Stg. Batt
- Shape
- Console with any shape - in general
- Dimensions (WHD)
- 26 x 40 x 25 inch / 660 x 1016 x 635 mm
- Notes
-
The Philco 53-U1853L is a 17" b/w TV with US standard VHF Tuner channels 2 thru 13, 14 thru 83 UHF. Equipped with RF chassis 91, Deflection chassis J-1 and picture tube 17YP4.
- Literature/Schematics (1)
- - - Manufacturers Literature (Philco Television Yearbook - 1953 Pages 163-192)
- Author
- Model page created by John Kusching. See "Data change" for further contributors.
- Other Models
-
Here you find 4126 models, 2231 with images and 3774 with schematics for wireless sets etc. In French: TSF for Télégraphie sans fil.
All listed radios etc. from Philco, Philadelphia Stg. Batt. Co.; USA