54S Early
Philco, Philadelphia Stg. Batt. Co.; USA
- Country
- United States of America (USA)
- Manufacturer / Brand
- Philco, Philadelphia Stg. Batt. Co.; USA
- Year
- 1934/1935
- Category
- Broadcast Receiver - or past WW2 Tuner
- Radiomuseum.org ID
- 139455
Click on the schematic thumbnail to request the schematic as a free document.
- Number of Tubes
- 5
- Main principle
- Superheterodyne (common); ZF/IF 460 kHz
- Wave bands
- Broadcast (MW), Police, sometimes also early TV (75-200m).
- Power type and voltage
- AC/DC-set / 115 Volt
- Loudspeaker
- Electro Magnetic Dynamic LS (moving-coil with field excitation coil)
- Material
- Wooden case
- from Radiomuseum.org
- Model: 54S [Early] - Philco, Philadelphia Stg. Batt
- Shape
- Tablemodel without push buttons, Mantel/Midget/Compact up to 14
- Notes
- The model 54 series are compact upright table radios, referred to as "pee-wee" or "cigar box" designs because of their compactness. The 54C early version (1933) has a wood front with vertical bars through the speaker opening. The 54C middle version (1934) is similar to the early version, but has a photofinish front with faux inlay and burl patterns. The 54C late version (1935) has a wood front with a "wave" pattern at the top of the speaker opening. The 54S early version (1934-35) has the front appearance of an "owl". The 54S late version (1935) has a spoked arch speaker opening. All versions have 2 bands and lighted dial.
- Price in first year of sale
- 35.00 $
- Source of data
- Philco Radio 1928-1942
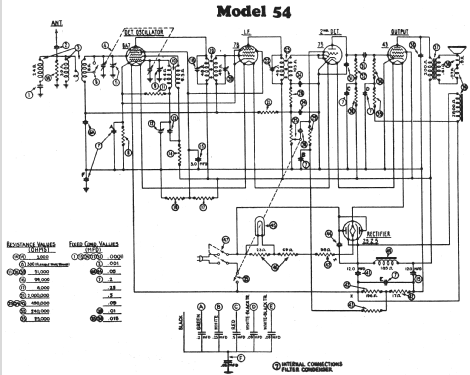
- Circuit diagram reference
- Rider's Perpetual, Volume 3 = 1933 and before
- Literature/Schematics (1)
- Philco 1928-36 Wiring Diagrams, Parts Lists, and Essential Service Data
- Author
- Model page created by Thomas Albrecht. See "Data change" for further contributors.
- Other Models
-
Here you find 4120 models, 2229 with images and 3768 with schematics for wireless sets etc. In French: TSF for Télégraphie sans fil.
All listed radios etc. from Philco, Philadelphia Stg. Batt. Co.; USA