- Country
- New Zealand-Aotearoa
- Manufacturer / Brand
- Dominion Radio & Electrical Corp. Ltd (Dreco), Philco; Auckland
- Year
- 1952
- Category
- Broadcast Receiver - or past WW2 Tuner
- Radiomuseum.org ID
- 167292
Click on the schematic thumbnail to request the schematic as a free document.
- Number of Tubes
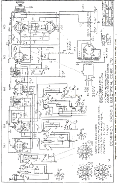
- 7
- Main principle
- Superhet with RF-stage; ZF/IF 455 kHz; 2 AF stage(s)
- Tuned circuits
- 7 AM circuit(s)
- Wave bands
- Broadcast plus more than 2 Short Wave bands.
- Power type and voltage
- Alternating Current supply (AC) / 230 Volt
- Loudspeaker
- Permanent Magnet Dynamic (PDyn) Loudspeaker (moving coil) - elliptical
- Material
- Wooden case
- from Radiomuseum.org
- Model: Philco 735 - Dominion Radio & Electrical
- Shape
- Tablemodel, low profile (big size).
- Notes
-
7-valve superhet with RF stage.
Push-Pull output and 6" x 9" elliptical Rola speaker.
5 tuning bands with "Spread-Band" tuning on SW.
- Price in first year of sale
- 53.50 £
- Source of data
- - - Manufacturers Literature
- Mentioned in
- -- Original prospect or advert (Press 2 October 1952 Page 11)
- Author
- Model page created by Keith Staines. See "Data change" for further contributors.
- Other Models
-
Here you find 161 models, 149 with images and 128 with schematics for wireless sets etc. In French: TSF for Télégraphie sans fil.
All listed radios etc. from Dominion Radio & Electrical Corp. Ltd (Dreco), Philco; Auckland