1570
Philips - Österreich
- Paese
- Austria
- Produttore / Marca
- Philips - Österreich
- Anno
- 1972 ??
- Categoria
- Radio (o sintonizzatore del dopoguerra WW2)
- Radiomuseum.org ID
- 205340
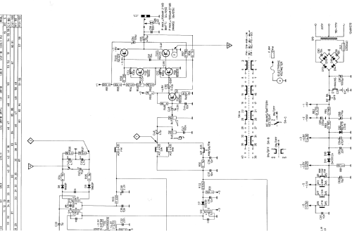
Clicca sulla miniatura dello schema per richiederlo come documento gratuito.
- Numero di transistor
- 11
- Principio generale
- Supereterodina (in generale); ZF/IF 468/10700 kHz
- N. di circuiti accordati
- 5 Circuiti Mod. Amp. (AM) 8 Circuiti Mod. Freq. (FM)
- Gamme d'onda
- Onde medie (OM), lunghe (OL), corte (OC) e MF (FM).
- Tensioni di funzionamento
- Rete / Batterie (ogni tipo) / 110; 220 / 4 x 1,5 Volt
- Altoparlante
- AP magnetodinamico (magnete permanente e bobina mobile) / Ø 8 cm = 3.1 inch
- Potenza d'uscita
- 1 W (qualità ignota)
- Materiali
- Plastica (non bachelite o catalina)
- Radiomuseum.org
- Modello: 1570 - Philips - Österreich
- Forma
- Apparecchio portatile > 20 cm (senza la necessità di una rete)
- Dimensioni (LxAxP)
- 224 x 122 x 60 mm / 8.8 x 4.8 x 2.4 inch
- Annotazioni
- Sono presenti anche 16 diodi.
- Fonte dei dati
- -- Original-techn. papers.
- Autore
- Modello inviato da Pasquale Baiocato. Utilizzare "Proponi modifica" per inviare ulteriori dati.
- Altri modelli
-
In questo link sono elencati 1077 modelli, di cui 1011 con immagini e 854 con schemi.
Elenco delle radio e altri apparecchi della Philips - Österreich