- Country
- Great Britain (UK)
- Manufacturer / Brand
- Philips Electrical, Lamps, Industrial - Miniwatt; London
- Year
- 1951
- Category
- Broadcast Receiver - or past WW2 Tuner
- Radiomuseum.org ID
- 143926
Click on the schematic thumbnail to request the schematic as a free document.
- Number of Tubes
- 5
- Main principle
- Superheterodyne (common); ZF/IF 470 kHz; 2 AF stage(s)
- Tuned circuits
- 6 AM circuit(s)
- Wave bands
- Broadcast, Long Wave and Short Wave.
- Power type and voltage
- AC/DC-set / 200-230 Volt
- Loudspeaker
- Permanent Magnet Dynamic (PDyn) Loudspeaker (moving coil)
- Material
- Plastics (no bakelite or catalin)
- from Radiomuseum.org
- Model: 200U - Philips Electrical, Lamps,
- Shape
- Tablemodel, with any shape - general.
- Price in first year of sale
- 13.00 GBP
- Source of data
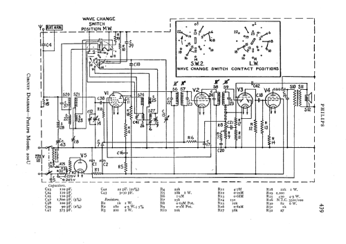
- -- Schematic
- Circuit diagram reference
- Radio and TV Servicing books (R&TVS) book
- Literature/Schematics (1)
- Trader Sheet 1006.
- Author
- Model page created by Keith Staines. See "Data change" for further contributors.
- Other Models
-
Here you find 427 models, 305 with images and 286 with schematics for wireless sets etc. In French: TSF for Télégraphie sans fil.
All listed radios etc. from Philips Electrical, Lamps, Industrial - Miniwatt; London