22AN461 /00

Philips France; Paris

  • Año
  • 1976–1978
  • Categoría
  • Autoradio
  • Radiomuseum.org ID
  • 205508

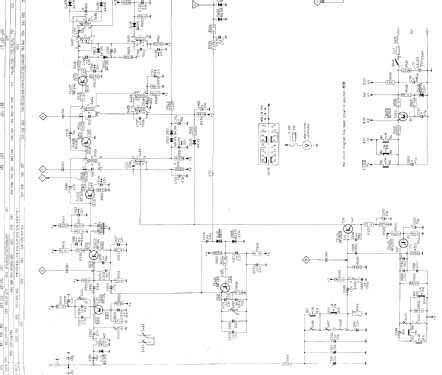
Haga clic en la miniatura esquemática para solicitarlo como documento gratuito.

 Especificaciones técnicas

  • Numero de transistores
  • 9
  • Principio principal
  • Superheterodino en general; ZF/IF 468/10700 kHz
  • Gama de ondas
  • OM, OL y FM
  • Tensión de funcionamiento
  • Bateria recargable / 12 Volt
  • Altavoz
  • - Este modelo usa altavoz exterior (1 o más).
  • Potencia de salida
  • 5 W (unknown quality)
  • Material
  • Metálico
  • de Radiomuseum.org
  • Modelo: 22AN461 /00 - Philips France; Paris
  • Forma
  • Chasis (tambien de autoradio)
  • Ancho, altura, profundidad
  • 180 x 43 x 110 mm / 7.1 x 1.7 x 4.3 inch
  • Anotaciones
  • 15 diodes.

  • Procedencia de los datos
  • -- Original-techn. papers.
  • Mencionado en
  • -- Original prospect or advert (Philips catalogs between 1976 and 1978)
  • Autor
  • Modelo creado por Pasquale Baiocato. Ver en "Modificar Ficha" los participantes posteriores.

 Colecciones | Museos | Literatura

Colecciones

El modelo es parte de las colecciones de los siguientes miembros.

 Forum