- Country
- Czechoslovakia
- Manufacturer / Brand
- Philips akc. spol., Praha-Hloubetin
- Year
- 1939
- Category
- Broadcast Receiver - or past WW2 Tuner
- Radiomuseum.org ID
- 194959
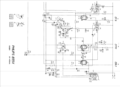
Click on the schematic thumbnail to request the schematic as a free document.
- Number of Tubes
- 6
- Main principle
- Superhet with RF-stage
- Tuned circuits
- 7 AM circuit(s)
- Wave bands
- Broadcast, Long Wave and Short Wave.
- Power type and voltage
- Alternating Current supply (AC) / 110-245 Volt
- Loudspeaker
- Permanent Magnet Dynamic (PDyn) Loudspeaker (moving coil)
- Material
- Wooden case
- from Radiomuseum.org
- Model: 855A-14 - Philips akc. spol., Praha-
- Shape
- Tablemodel with Push Buttons.
- Dimensions (WHD)
- 565 x 410 x 230 mm / 22.2 x 16.1 x 9.1 inch
- Notes
- 9 Tasten, davon 6 Stationstasten (Blitztasten-Abstimmung) mit Tauchkondensator.
KW 13,8...51 m.
Siehe auch die Philips 855X Modelle.
- Author
- Model page created by Bernhard Nagel. See "Data change" for further contributors.
- Other Models
-
Here you find 162 models, 137 with images and 125 with schematics for wireless sets etc. In French: TSF for Télégraphie sans fil.
All listed radios etc. from Philips akc. spol., Praha-Hloubetin