905
Philips Canada
- Country
- Canada
- Manufacturer / Brand
- Philips Canada
- Year
- 1950 ?
- Category
- Broadcast Receiver - or past WW2 Tuner
- Radiomuseum.org ID
- 149821
Click on the schematic thumbnail to request the schematic as a free document.
- Number of Tubes
- 5
- Main principle
- Superheterodyne (common); ZF/IF 455 kHz
- Tuned circuits
- 6 AM circuit(s)
- Wave bands
- Broadcast only (MW).
- Power type and voltage
- AC/DC-set / 115 Volt
- Loudspeaker
- Permanent Magnet Dynamic (PDyn) Loudspeaker (moving coil) / Ø 4 inch = 10.2 cm
- Power out
- 0.8 W (unknown quality)
- from Radiomuseum.org
- Model: 905 - Philips Canada
- Dimensions (WHD)
- 8.5 x 5.85 x 5.75 inch / 216 x 149 x 146 mm
- Notes
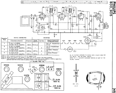
- Canada Supplements. Built in loop antenna. See also model 800.
- Circuit diagram reference
- Radio College of Canada
- Literature/Schematics (1)
- -- Schematic (Canada Supplements Philips page 46)
- Author
- Model page created by Arpad Roth † 27.3.17. See "Data change" for further contributors.
- Other Models
-
Here you find 165 models, 93 with images and 139 with schematics for wireless sets etc. In French: TSF for Télégraphie sans fil.
All listed radios etc. from Philips Canada
Collections
The model 905 is part of the collections of the following members.