- Pays
- Espagne
- Fabricant / Marque
- Philips Ibérica, COPRESA, Compañía de Productos Electrónicos, Miniwatt tubes, SELEZ; Madrid, Barcelona
- Année
- 1980
- Catégorie
- Radio - ou tuner d'après la guerre 1939-45
- Radiomuseum.org ID
- 170301
Cliquez sur la vignette du schéma pour le demander en tant que document gratuit.
- No. de transistors
- 11
- Principe général
- Super hétérodyne (en général); FI/IF 468/10700 kHz
- Gammes d'ondes
- PO, GO, OC et FM
- Tension / type courant
- Secteur et Piles (tous types). / 110; 220; 4 x 1,5 Volt
- Haut-parleur
- HP dynamique à aimant permanent + bobine mobile
- Puissance de sortie
- 1 W (qualité inconnue)
- Matière
- Plastique moderne (pas de bakélite, ni de catalin)
- De Radiomuseum.org
- Modèle: 90-AL-590/00 - Philips Ibérica, COPRESA,
- Forme
- Portative > 20 cm (sans nécessité secteur)
- Remarques
- 4 versions: ../00, ../15, ../40, ../51.
Each transistor type listed once.
Cada transistor listado una sola vez.
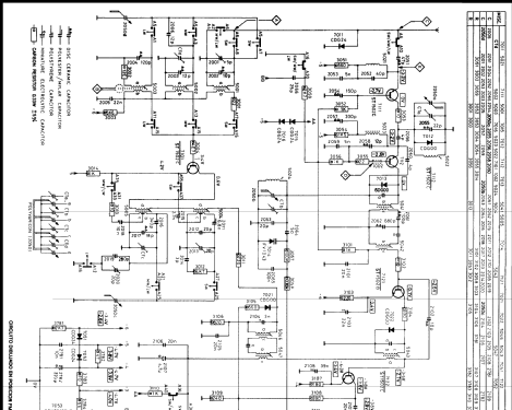
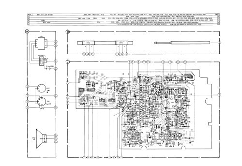
- Schémathèque (1)
- -- Original-techn. papers.
- Auteur
- Modèle crée par Miguel Bravo-Cos. Voir les propositions de modification pour les contributeurs supplémentaires.
- D'autres Modèles
-
Vous pourrez trouver sous ce lien 638 modèles d'appareils, 532 avec des images et 469 avec des schémas.
Tous les appareils de Philips Ibérica, COPRESA, Compañía de Productos Electrónicos, Miniwatt tubes, SELEZ; Madrid, Barcelona