4 Band 795 90AL795 /00 /43
Philips; Eindhoven (tubes international!); Miniwatt
- Country
- Netherlands
- Manufacturer / Brand
- Philips; Eindhoven (tubes international!); Miniwatt
- Year
- 1979 ??
- Category
- Broadcast Receiver - or past WW2 Tuner
- Radiomuseum.org ID
- 82412
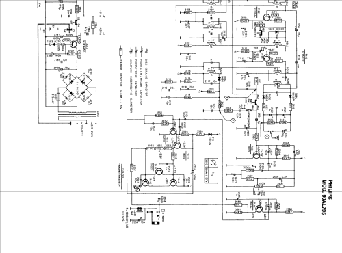
Click on the schematic thumbnail to request the schematic as a free document.
- Number of Transistors
- 15
- Semiconductors
- ST1502 ST1502 ST1502 ST1502 ST1502 ST1502 ST1602 ST1602 T1602 ST1602 ST1802 ST1602 NA21 NA22 MJE9450
- Main principle
- Superheterodyne (common); ZF/IF 468/10700 kHz; 5 AF stage(s)
- Tuned circuits
- 6 AM circuit(s) 9 FM circuit(s)
- Wave bands
- Broadcast, 2 Short Wave plus FM or UHF.
- Power type and voltage
- Line / Batteries (any type) / 110/220 / 4 x 1,5 Volt
- Loudspeaker
- Permanent Magnet Dynamic (PDyn) Loudspeaker (moving coil)
- Power out
- 1 W (unknown quality)
- Material
- Plastics (no bakelite or catalin)
- from Radiomuseum.org
- Model: 4 Band 795 90AL795 /00 /43 - Philips; Eindhoven tubes
- Shape
- Portable set > 8 inch (also usable without mains)
- Source of data
- -- Original-techn. papers.
- Author
- Model page created by Hugo Sneyers. See "Data change" for further contributors.
- Other Models
-
Here you find 5278 models, 4426 with images and 3461 with schematics for wireless sets etc. In French: TSF for Télégraphie sans fil.
All listed radios etc. from Philips; Eindhoven (tubes international!); Miniwatt
Collections
The model 4 Band 795 is part of the collections of the following members.