Amplificador Transistorizado de 20 W EL6622 /00 /06 /13
Philips Ibérica, COPRESA, Compañía de Productos Electrónicos, Miniwatt tubes, SELEZ; Madrid, Barcelona
- País
- España
- Fabricante / Marca
- Philips Ibérica, COPRESA, Compañía de Productos Electrónicos, Miniwatt tubes, SELEZ; Madrid, Barcelona
- Año
- 1964 ?
- Categoría
- Amplificador de audio o mezclador
- Radiomuseum.org ID
- 313837
Haga clic en la miniatura esquemática para solicitarlo como documento gratuito.
- Numero de transistores
- 7
- Principio principal
- Amplificador de Audio
- Gama de ondas
- - no hay
- Tensión de funcionamiento
- Red / Acumuladores (posiblemente también baterias) / 110-117; 127; 220; 245 / 24 Volt
- Altavoz
- - Este modelo usa altavoz exterior (1 o más).
- Material
- Metálico
- de Radiomuseum.org
- Modelo: Amplificador Transistorizado de 20 W EL6622 /00 /06 /13 - Philips Ibérica, COPRESA,
- Forma
- Sobremesa de tamaño mediano sin botonera <= 35 cm. (Incluso portables pero sólo con alimantación por red).
- Ancho, altura, profundidad
- 300 x 90 x 220 mm / 11.8 x 3.5 x 8.7 inch
- Anotaciones
-
Philips Ibérica EL 6622 /00 /06 /13
Amplificador Transistorizado de 20 W
Versiones:
- /00: Versión normal.
- /06: Interruptor de tensión de red modificado.
- /13: Cordón de red modificado y sin clavija de red.
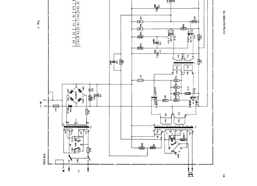
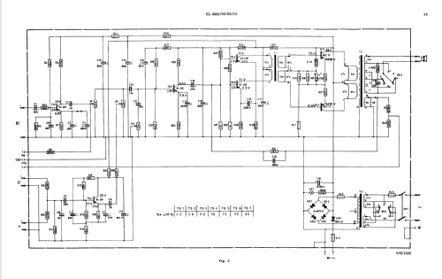
Hay un error en el manual, pag. 2, donde dice 2 x ASZ12. El esquema y la hoja de corrección Eb329 indican 2 x ASZ15
- Peso neto
- 3.2 kg / 7 lb 0.8 oz (7.048 lb)
- Documentación / Esquemas (1)
- -- Original-techn. papers.
- Autor
- Modelo creado por Miguel Bravo-Cos. Ver en "Modificar Ficha" los participantes posteriores.
- Otros modelos
-
Donde encontrará 638 modelos, 532 con imágenes y 469 con esquemas.
Ir al listado general de Philips Ibérica, COPRESA, Compañía de Productos Electrónicos, Miniwatt tubes, SELEZ; Madrid, Barcelona