Autoradio 22AN593
Philips - Österreich
- Paese
- Austria
- Produttore / Marca
- Philips - Österreich
- Anno
- 1978 ??
- Categoria
- Autoradio, eventualmente con registratore a cassette o giradischi
- Radiomuseum.org ID
- 205453
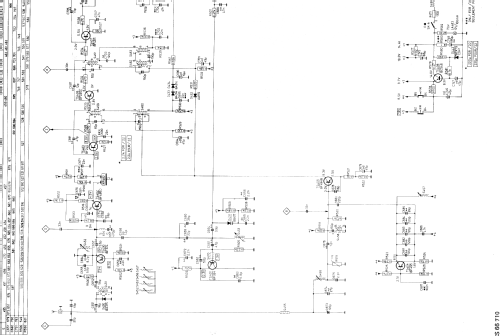
Clicca sulla miniatura dello schema per richiederlo come documento gratuito.
- Numero di transistor
- 9
- Semiconduttori
- BF324 BF495 BF240 BF495 BF495 BF324 BF494 BF495 BC548 AN101 TBA810 BA315 BA314 AA119 BB417
- Principio generale
- Supereterodina (in generale); ZF/IF 468/10700 kHz
- Gamme d'onda
- Onde medie (OM) e MF (FM).
- Tensioni di funzionamento
- Batteria di accumulatori, per tutto (es. autoradio, radio amatoriali) / 12 Volt
- Altoparlante
- - Questo apparecchio richiede altoparlante/i esterno/i.
- Potenza d'uscita
- 6 W (qualità ignota)
- Materiali
- Mobile di metallo
- Radiomuseum.org
- Modello: Autoradio 22AN593 - Philips - Österreich
- Forma
- Chassis o in scatola da montaggio
- Dimensioni (LxAxP)
- 180 x 44 x 110 mm / 7.1 x 1.7 x 4.3 inch
- Annotazioni
- Sono presenti anche 2 integrati: AN101, TBA810S, e anche 11 diodi, circuito IAC soppressione disturbi, e CAF.
- Fonte dei dati
- -- Original-techn. papers.
- Autore
- Modello inviato da Pasquale Baiocato. Utilizzare "Proponi modifica" per inviare ulteriori dati.
- Altri modelli
-
In questo link sono elencati 1077 modelli, di cui 1011 con immagini e 854 con schemi.
Elenco delle radio e altri apparecchi della Philips - Österreich