AZ 1003
Philips 飞利浦; China
- Fabricante / Marca
- Philips 飞利浦; China
- Año
- 2001
- Categoría
- Radio - o Sintonizador pasado WW2
- Radiomuseum.org ID
- 209500
Haga clic en la miniatura esquemática para solicitarlo como documento gratuito.
- Numero de transistores
- Hay semiconductores.
- Semiconductores
- Principio principal
- Superheterodino en general
- Gama de ondas
- OM y FM
- Especialidades
- Otra combinación. Ver notas.
- Tensión de funcionamiento
- Red / Baterías o pilas / 220 / 6 x 1.5 Volt
- Altavoz
- 2 Altavoces / Ø 10 cm = 3.9 inch
- Potencia de salida
- 2 W (unknown quality)
- Material
- Plástico moderno (Nunca bakelita o catalina)
- de Radiomuseum.org
- Modelo: AZ 1003 - Philips 飞利浦; China
- Forma
- Portátil > 20 cm (sin la necesidad de una red)
- Ancho, altura, profundidad
- 360 x 225 x 152 mm / 14.2 x 8.9 x 6 inch
- Anotaciones
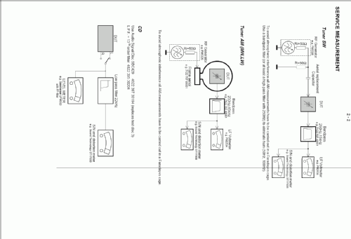
- - Aparato con Compac Disc y Audio cassette recorder.
- Altavoces de 8 Ohmios.
- Peso neto
- 2.3 kg / 5 lb 1.1 oz (5.066 lb)
- Autor
- Modelo creado por Julián Muñoz Lorenzo. Ver en "Modificar Ficha" los participantes posteriores.
- Otros modelos
-
Donde encontrará 232 modelos, 229 con imágenes y 25 con esquemas.
Ir al listado general de Philips 飞利浦; China