- Paese
- Olanda
- Produttore / Marca
- Philips; Eindhoven (tubes international!); Miniwatt
- Anno
- 1959/1960
- Categoria
- Radio (o sintonizzatore del dopoguerra WW2)
- Radiomuseum.org ID
- 29717
Clicca sulla miniatura dello schema per richiederlo come documento gratuito.
- Numero di tubi
- 6
- Principio generale
- Supereterodina (in generale); ZF/IF 452 kHz
- Gamme d'onda
- Onde medie (OM), lunghe (OL) e 2 onde corte (2 x OC).
- Tensioni di funzionamento
- Alimentazione a corrente alternata (CA) / 90; 110; 127; 145; 190; 220 Volt
- Altoparlante
- AP magnetodinamico ellittico (magnete permanente e bobina mobile).
- Materiali
- Mobile in legno
- Radiomuseum.org
- Modello: B4X99A /01 - Philips; Eindhoven tubes
- Forma
- Soprammobile con pulsantiera/tastiera.
- Dimensioni (LxAxP)
- 460 x 273 x 213 mm / 18.1 x 10.7 x 8.4 inch
- Annotazioni
-
Speaker: AD3460X
- Peso netto
- 6.6 kg / 14 lb 8.6 oz (14.537 lb)
- Prezzo nel primo anno
- 258.00 HFL
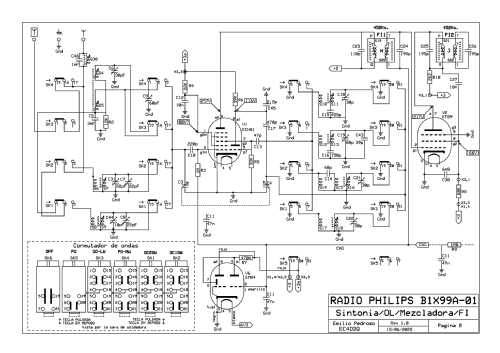
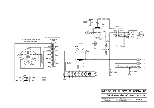
- Letteratura / Schemi (1)
- -- Original-techn. papers.
- Autore
- Modello inviato da Iven Müller. Utilizzare "Proponi modifica" per inviare ulteriori dati.
- Altri modelli
-
In questo link sono elencati 5279 modelli, di cui 4427 con immagini e 3461 con schemi.
Elenco delle radio e altri apparecchi della Philips; Eindhoven (tubes international!); Miniwatt
Collezioni
Il modello fa parte delle collezioni dei seguenti membri.
Discussioni nel forum su questo modello: Philips; Eindhoven: B4X99A /01
Argomenti: 2 | Articoli: 9
Um vizinho amigo questionou-me sobre a nacionalidade de um radio Philips sua propriedade. É um B4X99A/01.
Eu estive tentado em responder-lhe que é um radio holandês fabricado em Eindhoven,Paises Baixos.
Mas, quando eu vi a etiqueta reparei que o número de série começava por duas letras, P e L (PL).
Eu ouvi acerca destas letras que elas representavam que este radio foi fabricado em Leuven, Bélgica.
No Rmorg não consigo encontrar referencias a esta fábrica embora alguns rádios Philips tenham sido aí fabricados.
Gostaria de ouvir os vossos comentários acerca deste assunto. Por favor.
Melhores cumprimentos
Mário Coelho
Mario Coelho, 23.Sep.04
Dear Radio Friends,
A neighbour friend question me about the nationality of a Philips set of his own. It is a B4X99A/01.
I was tried to reply him that it is a Dutch radio made in Eindhoven Netherlands.
But, when I saw the label I noticed that the serial number began by two letters, P and L (PL).
I heard about this letters that they mean that this set was made in Leuven, Belgium,
In Rmorg I can't find references to this factory tough some Philips sets had been made there.
I would like to hear your commentaries about this matter.If you please.
Best regards
Mario Coelho
Mario Coelho, 23.Sep.04