- País
- Holanda
- Fabricante / Marca
- Philips; Eindhoven (tubes international!); Miniwatt
- Año
- 1956
- Categoría
- Radio - o Sintonizador pasado WW2
- Radiomuseum.org ID
- 276694
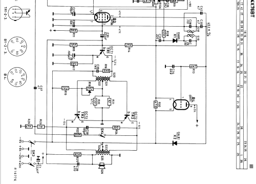
Haga clic en la miniatura esquemática para solicitarlo como documento gratuito.
- Numero de valvulas
- 4
- Numero de transistores
- 3
- Principio principal
- Superheterodino en general; ZF/IF 452 kHz; 3 Etapas de AF
- Número de circuitos sintonía
- 8 Circuíto(s) AM
- Gama de ondas
- OM y dos OC
- Tensión de funcionamiento
- Pilas / 6 & 45 Volt
- Altavoz
- Altavoz dinámico (de imán permanente)
- de Radiomuseum.org
- Modelo: B4X76BT - Philips; Eindhoven tubes
- Forma
- Sobremesa de cualquier forma, detalles no conocidos.
- Ancho, altura, profundidad
- 420 x 275 x 175 mm / 16.5 x 10.8 x 6.9 inch
- Anotaciones
-
Rundfunkempfänger-Tischgerät mit Batteriebetrieb.
- Mencionado en
- -- Original-techn. papers.
- Autor
- Modelo creado por Heiko zur Mühlen. Ver en "Modificar Ficha" los participantes posteriores.
- Otros modelos
-
Donde encontrará 5278 modelos, 4426 con imágenes y 3461 con esquemas.
Ir al listado general de Philips; Eindhoven (tubes international!); Miniwatt