BF393U
Philips France; Paris
- Land
- Frankreich / France
- Hersteller / Marke
- Philips France; Paris
- Jahr
- 1949/1950
- Kategorie
- Rundfunkempfänger (Radio - oder Tuner nach WW2)
- Radiomuseum.org ID
- 164749
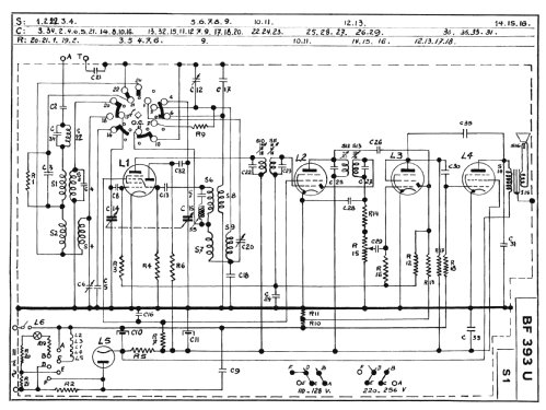
Klicken Sie auf den Schaltplanausschnitt, um diesen kostenlos als Dokument anzufordern.
- Anzahl Röhren
- 5
- Hauptprinzip
- Superhet allgemein; ZF/IF 472 kHz
- Anzahl Kreise
- 7 Kreis(e) AM
- Wellenbereiche
- Langwelle, Mittelwelle und Kurzwelle.
- Betriebsart / Volt
- Allstromgerät / 110-128; 220-256 Volt
- Lautsprecher
- Dynamischer LS, keine Erregerspule (permanentdynamisch) / Ø 17 cm = 6.7 inch
- Material
- Bakelit (Pressstoff)
- von Radiomuseum.org
- Modell: BF393U - Philips France; Paris
- Form
- Tischgerät ohne Drucktasten, bis 35 cm Breite (Kleingerät, meist dekorativ. Nur für Netzbetrieb, doch Transportgriff möglich).
- Abmessungen (BHT)
- 345 x 227 x 202 mm / 13.6 x 8.9 x 8 inch
- Bemerkung
-
3 gammes d'ondes : OC de 15 à 51 m, PO de 187 à 578 m, et GO de 1150 à 2000 m. CAV agissant sur 3 lampes. Haut-parleur TA17RT.
Coffret bakélite, grille décorative.
- Nettogewicht
- 5.4 kg / 11 lb 14.3 oz (11.894 lb)
- Originalpreis
- 15,990.00 FRF
- Literaturnachweis
- -- Original prospect or advert
- Literatur/Schema (1)
- -- Original-techn. papers.
- Autor
- Modellseite von Karsten Hauger angelegt. Siehe bei "Änderungsvorschlag" für weitere Mitarbeit.
- Weitere Modelle
-
Hier finden Sie 618 Modelle, davon 557 mit Bildern und 337 mit Schaltbildern.
Alle gelisteten Radios usw. von Philips France; Paris