- Paese
- Svezia
- Produttore / Marca
- Philips, Svenska AB, Stockholm
- Anno
- 1994 ?
- Categoria
- Televisore (TV) / Monitor
- Radiomuseum.org ID
- 320618
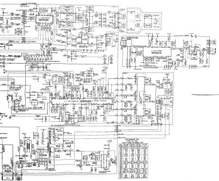
Clicca sulla miniatura dello schema per richiederlo come documento gratuito.
- Numero di transistor
- A semiconduttori.
- Semiconduttori
- Principio generale
- Supereterodina con stadio RF
- Gamme d'onda
- VHF/UHF (ved. i dettagli nelle note)
- Tensioni di funzionamento
- Alimentazione a corrente alternata (CA) / 220; 240 Volt
- Altoparlante
- 2 altoparlanti
- Materiali
- Plastica (non bachelite o catalina)
- Radiomuseum.org
- Modello: BS843 - Philips, Svenska AB, Stockholm
- Forma
- Soprammobile basso, con andamento orizzontale (grosse dimensioni).
- Annotazioni
-
TV Color
- Autore
- Modello inviato da Toni Gutiérrez García. Utilizzare "Proponi modifica" per inviare ulteriori dati.
- Altri modelli
-
In questo link sono elencati 241 modelli, di cui 221 con immagini e 111 con schemi.
Elenco delle radio e altri apparecchi della Philips, Svenska AB, Stockholm