- Land
- Niederlande
- Hersteller / Marke
- Philips; Eindhoven (tubes international!); Miniwatt
- Jahr
- 1948
- Kategorie
- Rundfunkempfänger (Radio - oder Tuner nach WW2)
- Radiomuseum.org ID
- 123304
Klicken Sie auf den Schaltplanausschnitt, um diesen kostenlos als Dokument anzufordern.
- Anzahl Röhren
- 4
- Hauptprinzip
- Superhet allgemein; ZF/IF 452 kHz; 1 NF-Stufe(n)
- Anzahl Kreise
- 6 Kreis(e) AM
- Wellenbereiche
- Langwelle, Mittelwelle (LW+MW).
- Betriebsart / Volt
- Allstromgerät / 220 Volt
- Lautsprecher
- Dynamischer LS, keine Erregerspule (permanentdynamisch) / Ø 11 cm = 4.3 inch
- Belastbarkeit / Leistung
- 4.25 W (Qualität unbekannt)
- Material
- Bakelit (Pressstoff)
- von Radiomuseum.org
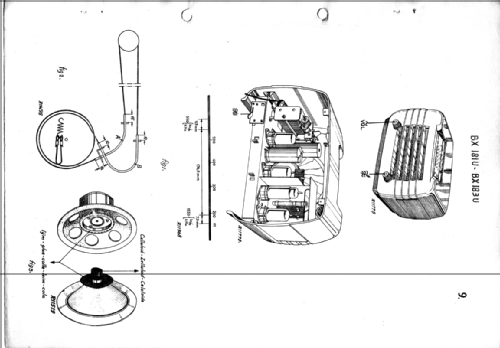
- Modell: BX181U /00 - Philips; Eindhoven tubes
- Form
- Tischgerät ohne Drucktasten, bis 35 cm Breite (Kleingerät, meist dekorativ. Nur für Netzbetrieb, doch Transportgriff möglich).
- Abmessungen (BHT)
- 250 x 170 x 150 mm / 9.8 x 6.7 x 5.9 inch
- Bemerkung
-
Achtung: Der Schaltplan könnte auch als BX191U gelesen werden. Es ist aber der Plan von diesem Gerät.
AM radio for external antenna:- LW: 160 - 272 kHz.
- BC: 517 - 1620 kHz.
Loudspeaker: 9730X (5Ω).Dial lamp: 8034D (E10, 10V/200mA).
- Nettogewicht
- 2.5 kg / 5 lb 8.1 oz (5.507 lb)
- Literatur/Schema (1)
- -- Original-techn. papers.
- Literatur/Schema (4)
- -- Schematic
- Autor
- Modellseite von Jozef Brughmans † angelegt. Siehe bei "Änderungsvorschlag" für weitere Mitarbeit.
- Weitere Modelle
-
Hier finden Sie 5278 Modelle, davon 4426 mit Bildern und 3461 mit Schaltbildern.
Alle gelisteten Radios usw. von Philips; Eindhoven (tubes international!); Miniwatt