Cartomatic (Röhrenprüfgerät mit Karten) GM7629
Philips; Eindhoven (tubes international!); Miniwatt
- Country
- Netherlands
- Manufacturer / Brand
- Philips; Eindhoven (tubes international!); Miniwatt
- Year
- 1936
- Category
- Service- or Lab Equipment
- Radiomuseum.org ID
- 83464
Click on the schematic thumbnail to request the schematic as a free document.
- Number of Tubes
- 2
- Wave bands
- - without
- Power type and voltage
- Alternating Current supply (AC) / 100-255 Volt
- Loudspeaker
- - - No sound reproduction output.
- Material
- Metal case
- from Radiomuseum.org
- Model: Cartomatic GM7629 - Philips; Eindhoven tubes
- Shape
- Tablemodel, slant panel.
- Dimensions (WHD)
- 490 x 280 x 400 mm / 19.3 x 11 x 15.7 inch
- Notes
-
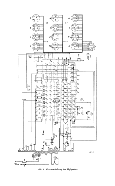
Das Gerät funktioniert mit gelochten Karten für die jeweiligen Röhren.
Röhrenmessungen: Heizfadenbruch; Kurzschluss zwischen den Elektroden; Kontakt zwischen der Metallisierung und dem zugehörigen Sockelstift; Isolierung der Elektroden in warmem Zustande; ausreichende Emission; Steilheit; Bruch der Elektrodenzuleitungen.
Gleichspannung: 0,2...500 V in vier Bereichen.
Wechselspannung: 1...500 V in vier Bereichen.
Gleichstrom: 0,1...1000 mA in fünf Bereichen
Wechselstrom: 5...1000 mA in vier Bereichen.
Widerstand: 1 Ohm...5 MOhm in fünf Bereichen.
Kapazität: 1000 pF...200 uF in fünf Bereichen.
Glühlämpchen 8041 zur Kontrolle auf Heizfadenbruch, Glimmlampe 9512 zur Kontrolle auf Kurzschluss.Für andere Zwecke realisierte Philips auch einen Cardiomat, Cardomat bzw. Card-o-Mat (Suchwörter)..
- Net weight (2.2 lb = 1 kg)
- 20 kg / 44 lb 0.8 oz (44.053 lb)
- Mentioned in
- - - Manufacturers Literature (Philips Datenbuch, 1940)
- Author
- Model page created by Carlos Lazarini. See "Data change" for further contributors.
- Other Models
-
Here you find 5280 models, 4428 with images and 3461 with schematics for wireless sets etc. In French: TSF for Télégraphie sans fil.
All listed radios etc. from Philips; Eindhoven (tubes international!); Miniwatt
Collections
The model Cartomatic (Röhrenprüfgerät mit Karten) is part of the collections of the following members.
Museums
The model Cartomatic (Röhrenprüfgerät mit Karten) can be seen in the following museums.