Cassette Recorder Amplifier D 6550/30Z
Philips - Österreich
- Land
- Österreich / Austria
- Hersteller / Marke
- Philips - Österreich
- Jahr
- 1987 ??
- Kategorie
- Ton-/Bildspeichergerät oder -Spieler
- Radiomuseum.org ID
- 233653
Klicken Sie auf den Schaltplanausschnitt, um diesen kostenlos als Dokument anzufordern.
- Anzahl Transistoren
- Halbleiter vorhanden.
- Halbleiter
- Hauptprinzip
- NF-Verstärkung
- Wellenbereiche
- - ohne
- Spezialitäten
- Kassetten-Recorder oder -Spieler; Gitarrenverstärker
- Betriebsart / Volt
- Wechselstromspeisung / 220 Volt
- Lautsprecher
- Dynamischer LS, keine Erregerspule (permanentdynamisch)
- Belastbarkeit / Leistung
- 20 W (Qualität unbekannt)
- Material
- Gerät mit Holzgehäuse
- von Radiomuseum.org
- Modell: Cassette Recorder Amplifier D 6550/30Z - Philips - Österreich
- Form
- Standgerät: allgemein.
- Abmessungen (BHT)
- 360 x 500 x 210 mm / 14.2 x 19.7 x 8.3 inch
- Bemerkung
-
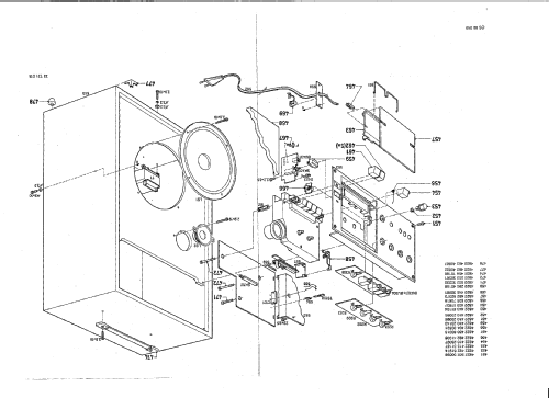
Kombination aus Gitarrenverstärker und Kassettenrecorder. Drei Eingänge mit je 6,3mm Klinkenstecker für Gitarre, Mikrofon und sonstige Signalquelle.
- Nettogewicht
- 7.2 kg / 15 lb 13.7 oz (15.859 lb)
- Autor
- Modellseite von Andreas Echtner angelegt. Siehe bei "Änderungsvorschlag" für weitere Mitarbeit.
- Weitere Modelle
-
Hier finden Sie 1077 Modelle, davon 1011 mit Bildern und 854 mit Schaltbildern.
Alle gelisteten Radios usw. von Philips - Österreich
Sammlungen
Das Modell Cassette Recorder Amplifier befindet sich in den Sammlungen folgender Mitglieder.