Cassetten-Recorder 2506 N2506 (DNL)
Philips - Österreich
- Pays
- Autriche
- Fabricant / Marque
- Philips - Österreich
- Année
- 1972–1975
- Catégorie
- Enrégistreur et/ou reproducteur son/video
- Radiomuseum.org ID
- 28855
Cliquez sur la vignette du schéma pour le demander en tant que document gratuit.
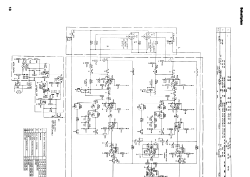
- No. de transistors
- 23
- Semi-conducteurs
- AC127 AC128 AC188 AD161 BC107 BC108 BC108 BC149 BC408 BC408 BC408 BC408 BC408 BC408 BC409 BC108 BC408 BC408 BC408 BC408 BC408 BC408 BC409
- Principe général
- Amplification audio
- Gammes d'ondes
- - sans
- Particularités
- Magnétophone à cassettes
- Tension / type courant
- Alimentation Courant Alternatif (CA) / 110; 127; 220; 240 Volt
- Haut-parleur
- - Pour casque ou amplificateur BF
- Matière
- Boitier en bois
- De Radiomuseum.org
- Modèle: Cassetten-Recorder 2506 N2506 - Philips - Österreich
- Forme
- Modèle de table avec boutons poussoirs.
- Dimensions (LHP)
- 220 x 75 x 220 mm / 8.7 x 3 x 8.7 inch
- Remarques
- Eingebauter DNL (Dynamic Noise Limiter). Übertragungsbereich: 60-10000 Hz.
Parallelgerät zum Horny WM9145.
- Poids net
- 2 kg / 4 lb 6.5 oz (4.405 lb)
- Source extérieure
- Erb
- Source
- Handbuch VDRG 1972/1973
- Littérature
- Philips - Radio TV and Home Entertainment Catalogs (Philips Prospekt 1972/73/74)
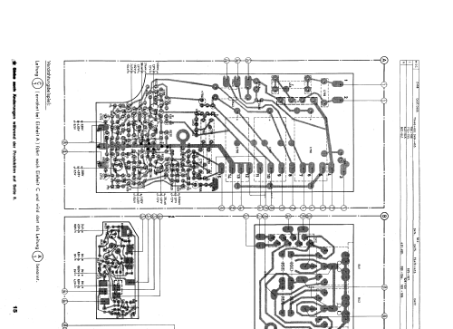
- Schémathèque (1)
- -- Original-techn. papers.
- D'autres Modèles
-
Vous pourrez trouver sous ce lien 1077 modèles d'appareils, 1011 avec des images et 854 avec des schémas.
Tous les appareils de Philips - Österreich