Chassis K6
Philips Radios - Deutschland
- Country
- Germany
- Manufacturer / Brand
- Philips Radios - Deutschland
- Year
- 1967
- Category
- Television Receiver (TV) or Monitor
- Radiomuseum.org ID
- 104187
- 
        - Brand: Deutsche Philips-Ges.
 
Click on the schematic thumbnail to request the schematic as a free document.
- Number of Tubes
- 27
- Valves / Tubes
- EF183 EF184 PCF200 PFL200 PCL86 PCC85 PCH200 PCF802 PL509 PL504 PY500 GY501 PD500 DY51 PL508 PCF201 A63-11X
- Number of Transistors
- 13
- Semiconductors
- Main principle
- Superheterodyne (common)
- Wave bands
- Wave Bands given in the notes.
- Power type and voltage
- Alternating Current supply (AC) / 220 Volt
- Loudspeaker
- Permanent Magnet Dynamic (PDyn) Loudspeaker (moving coil)
- Material
- Metal case
- from Radiomuseum.org
- Model: Chassis K6 - Philips Radios - Deutschland
- Shape
- Chassis only or for «building in»
- Notes
- 45 Dioden. Einige Röhren teilweise mehrfach vorhanden. Farbfernsehchassis der 1. Generation. Tuner für VHF- und UHF-Empfang.
 Verwendet in den Geräten Philips:
 X25K121, A25K121, S25K481.
 Hornyphon:
 W65K121, DX65K184.
- Mentioned in
- -- Original-techn. papers.
- Author
- Model page created by Franz Born †. See "Data change" for further contributors.
- Other Models
- 
        Here you find 2548 models, 2260 with images and 1567 with schematics for wireless sets etc. In French: TSF for Télégraphie sans fil. 
 All listed radios etc. from Philips Radios - Deutschland
Forum contributions about this model: Philips Radios -: Chassis K6
Threads: 1 | Posts: 1
            Das K6-Chassis  ist mit 27 Röhren bestückt . Bei 24 davon erfolgt die Heizung in Reihenschaltung. Da die zur Verfügung stehende Netzspannung nicht alle in einer Kette versorgen kann,  erfolgt eine Aufteilung in 2 Reihenschaltungen. 
            
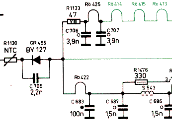
Die Anbindung an die Netzspannung erfolgt im Gegensatz zum klassischen Vorwiderstand über eine Diode (BY127).
Die beiden Gleichrichterröhren (GY501 und DY51) weden aus dem Zeilentrafo geheizt, die Bildröhe wird separat aus einem Heiztrafo versorgt. Die angewendete Halbwellenheizung hat den Vorteil, die ohnehin von 27 Röhren erzeugte Erwärmung des Gerätes, nicht auch noch durch einen Vorwiderstand zu erhöhen.
Diese "moderne" Art der Schaltung hatte allerdings im Gebrauch nicht selten schlimme Folgen. Dies war immer dann der Fall, wenn diese Diode niederohmig wurde. Denn dann gelangt nicht nur eine Halbwelle der Netzspannung zu den Heizkreisen, sondern die gesamte Sinusschwingung! Besonders tückich dabei ist die Tatsache, außer der Erscheinung die Röhren glühen nicht mehr kirschrot sondern knallrot, war alles wie sonst. Im Gegenteil, manche schon etwas müde Röhre lief wieder zur Hochform auf.
Die Annahme der Überheizung der Röhren würde durch Fadenbruch ein schnelles Ende gesetzt, erwies sich in der Praxis nicht. Meißtens landeten die Geräte mit den unterschiedlichsten Fehlern in der Werstatt, wobei nicht festzustellen war wie lange schon die Überheizung stattgefunden hat.
Nach anfänglichen Versuchen durch Auswechseln einzelner Röhren den Betrieb weiterzuführen, erwies sich als schlecht. Denn nach und nach mußten immer wieder Röhren gewechselt werden.
Nach einiger Zeit der Beobachtung wurde klar, nur das Wechseln aller 24 betroffenen Röhren und natürlich der Unglücksdiode, brachte wieder Zuverlässigkeit. Dabei erwies sich die Tatsache der separaten Heizung der Bildröhre als Glücksfall.
Damit sich der "Unfall" nicht wiederholen konnte, wurden die Geräte mit einer" Warnschaltung" versehen. Hierzu wurde eine weitere Diode eingefügt, die in umgekehrter Poolung wie die BY127 direkt zur Tonendröhre geführt wurde. Solange alles in Ordnung war, hatte diese Schaltungserweiterung keine Auswirkung. Wurde jedoch die Halbwellendiode durchlässig, gelangte über die zusätzliche Diode eine Halbwelle der Netzwechselspannung direckt an der Tonendstufe. Die Folge war ein ohrenbetäubender Brummton, der nicht leisergestellt werden konnte. In der Regel führte das dazu, das Gerät wurde umgehend außer Betrieb genommen und zur Reparatur gegeben. So wurde kein weiterer Schaden angerichtet, wenn die BY127 ausgewechselt wurde. Allerdings hatte ich auch schon Geräte auf dem Arbeitstisch, bei denen nur die Zusatzdiode entfernt wurde um den Brummton abzustellen und ansonsten der Zustand erreicht war wo wieder 24 Röhren fällig wurden.
Nach Auffälligkeit der beschriebenen Störung wurden schon ab Werk alle Geräte mit der "Warnschaltung" ausgerüstet, wie beigefügter Schaltungsauszug des Chassis K8D zeigt.
          Die Anbindung an die Netzspannung erfolgt im Gegensatz zum klassischen Vorwiderstand über eine Diode (BY127).
Die beiden Gleichrichterröhren (GY501 und DY51) weden aus dem Zeilentrafo geheizt, die Bildröhe wird separat aus einem Heiztrafo versorgt. Die angewendete Halbwellenheizung hat den Vorteil, die ohnehin von 27 Röhren erzeugte Erwärmung des Gerätes, nicht auch noch durch einen Vorwiderstand zu erhöhen.
Diese "moderne" Art der Schaltung hatte allerdings im Gebrauch nicht selten schlimme Folgen. Dies war immer dann der Fall, wenn diese Diode niederohmig wurde. Denn dann gelangt nicht nur eine Halbwelle der Netzspannung zu den Heizkreisen, sondern die gesamte Sinusschwingung! Besonders tückich dabei ist die Tatsache, außer der Erscheinung die Röhren glühen nicht mehr kirschrot sondern knallrot, war alles wie sonst. Im Gegenteil, manche schon etwas müde Röhre lief wieder zur Hochform auf.
Die Annahme der Überheizung der Röhren würde durch Fadenbruch ein schnelles Ende gesetzt, erwies sich in der Praxis nicht. Meißtens landeten die Geräte mit den unterschiedlichsten Fehlern in der Werstatt, wobei nicht festzustellen war wie lange schon die Überheizung stattgefunden hat.
Nach anfänglichen Versuchen durch Auswechseln einzelner Röhren den Betrieb weiterzuführen, erwies sich als schlecht. Denn nach und nach mußten immer wieder Röhren gewechselt werden.
Nach einiger Zeit der Beobachtung wurde klar, nur das Wechseln aller 24 betroffenen Röhren und natürlich der Unglücksdiode, brachte wieder Zuverlässigkeit. Dabei erwies sich die Tatsache der separaten Heizung der Bildröhre als Glücksfall.
Damit sich der "Unfall" nicht wiederholen konnte, wurden die Geräte mit einer" Warnschaltung" versehen. Hierzu wurde eine weitere Diode eingefügt, die in umgekehrter Poolung wie die BY127 direkt zur Tonendröhre geführt wurde. Solange alles in Ordnung war, hatte diese Schaltungserweiterung keine Auswirkung. Wurde jedoch die Halbwellendiode durchlässig, gelangte über die zusätzliche Diode eine Halbwelle der Netzwechselspannung direckt an der Tonendstufe. Die Folge war ein ohrenbetäubender Brummton, der nicht leisergestellt werden konnte. In der Regel führte das dazu, das Gerät wurde umgehend außer Betrieb genommen und zur Reparatur gegeben. So wurde kein weiterer Schaden angerichtet, wenn die BY127 ausgewechselt wurde. Allerdings hatte ich auch schon Geräte auf dem Arbeitstisch, bei denen nur die Zusatzdiode entfernt wurde um den Brummton abzustellen und ansonsten der Zustand erreicht war wo wieder 24 Röhren fällig wurden.
Nach Auffälligkeit der beschriebenen Störung wurden schon ab Werk alle Geräte mit der "Warnschaltung" ausgerüstet, wie beigefügter Schaltungsauszug des Chassis K8D zeigt.
Attachments
- Halbwellenheizkreis (6 KB)
- "Warnschaltung" (17 KB)
Franz Born †, 03.Sep.06
 
                
                
                
                
                
                
                
                
                
                
                
                
                
                
                
                
                
                
                
                
                
                
                
                
                
                
                
                
               