CMB41L
Philips Canada
- Country
- Canada
- Manufacturer / Brand
- Philips Canada
- Year
- 1947 ??
- Category
- Broadcast Receiver - or past WW2 Tuner
- Radiomuseum.org ID
- 71729
Click on the schematic thumbnail to request the schematic as a free document.
- Number of Tubes
- 4
- Main principle
- Superheterodyne (common); ZF/IF 455 kHz
- Tuned circuits
- 5 AM circuit(s)
- Wave bands
- Broadcast only (MW).
- Power type and voltage
- Line / Batteries (any type) / 117/67,5+3 Volt
- Loudspeaker
- Permanent Magnet Dynamic (PDyn) Loudspeaker (moving coil) / Ø 8.9 cm = 3.5 inch
- Material
- Metal case
- from Radiomuseum.org
- Model: CMB41L - Philips Canada
- Shape
- Portable set > 8 inch (also usable without mains)
- Dimensions (WHD)
- 195 x 125 x 110 mm / 7.7 x 4.9 x 4.3 inch
- Notes
- set plays when flip up lid opens; Canada Supplements. Built in loop antenna.
- Net weight (2.2 lb = 1 kg)
- 2 kg / 4 lb 6.5 oz (4.405 lb)
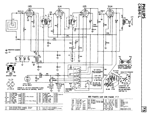
- Circuit diagram reference
- Radio College of Canada
- Literature/Schematics (1)
- Canada Supplements Philips page 73 to 75
- Author
- Model page created by Ernst Erb. See "Data change" for further contributors.
- Other Models
-
Here you find 165 models, 93 with images and 139 with schematics for wireless sets etc. In French: TSF for Télégraphie sans fil.
All listed radios etc. from Philips Canada
Forum contributions about this model: Philips Canada: CMB41L
Threads: 1 | Posts: 1
Model CMB 41 L is the same as Motorola Model 5A7.
http://www.radiomuseum.org/dsp_modell.cfm?model_id=48984
http://www.radiomuseum.org/dsp_modell.cfm?model_id=48984
Hilmer Grunert, 02.Jun.05