2-Band Clock Radio D-3090 /02
Philips; Eindhoven (tubes international!); Miniwatt
- Paese
- Olanda
- Produttore / Marca
- Philips; Eindhoven (tubes international!); Miniwatt
- Anno
- 1980 ??
- Categoria
- Radio (o sintonizzatore del dopoguerra WW2)
- Radiomuseum.org ID
- 226181
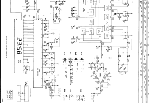
Clicca sulla miniatura dello schema per richiederlo come documento gratuito.
- Numero di transistor
- 8
- Semiconduttori
- ED1502 ED1502 ED1402 ED1402 ED1702 ED1602 ED1602 ED1402 TEA5570 TA7313 MSM55501 CD4069 1K60 BA317 1N4001 BZX79
- Principio generale
- Supereterodina (in generale); ZF/IF 468/10700 kHz
- Gamme d'onda
- Onde medie (OM) e MF (FM).
- Tensioni di funzionamento
- Alimentazione a corrente alternata (CA) / 220 Volt
- Altoparlante
- AP magnetodinamico (magnete permanente e bobina mobile)
- Potenza d'uscita
- 0.2 W (indistorta)
- Materiali
- Plastica (non bachelite o catalina)
- Radiomuseum.org
- Modello: 2-Band Clock Radio D-3090 /02 - Philips; Eindhoven tubes
- Forma
- Soprammobile con orologio (radio-orologio, radiosveglia).
- Annotazioni
-
Clock: 24hrs
- Letteratura / Schemi (1)
- -- Original-techn. papers.
- Autore
- Modello inviato da Miguel Bravo-Cos. Utilizzare "Proponi modifica" per inviare ulteriori dati.
- Altri modelli
-
In questo link sono elencati 5278 modelli, di cui 4426 con immagini e 3461 con schemi.
Elenco delle radio e altri apparecchi della Philips; Eindhoven (tubes international!); Miniwatt