Dürer 66SL D26K987 Ch= K7N
Philips Radios - Deutschland
- Country
- Germany
- Manufacturer / Brand
- Philips Radios - Deutschland
- Year
- 1971
- Category
- Television Receiver (TV) or Monitor
- Radiomuseum.org ID
- 104830
-
- Brand: Deutsche Philips-Ges.
Click on the schematic thumbnail to request the schematic as a free document.
- Number of Tubes
- 14
- Number of Transistors
- 54
- Semiconductors
- Main principle
- Superheterodyne (common)
- Wave bands
- VHF incl. FM and/or UHF (see notes for details)
- Power type and voltage
- Alternating Current supply (AC) / 220 Volt
- Loudspeaker
- Permanent Magnet Dynamic (PDyn) Loudspeaker (moving coil)
- Material
- Wooden case
- from Radiomuseum.org
- Model: Dürer 66SL D26K987 Ch= K7N - Philips Radios - Deutschland
- Shape
- Tablemodel, low profile (big size).
- Notes
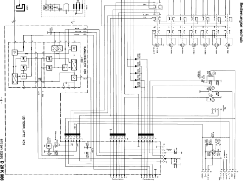
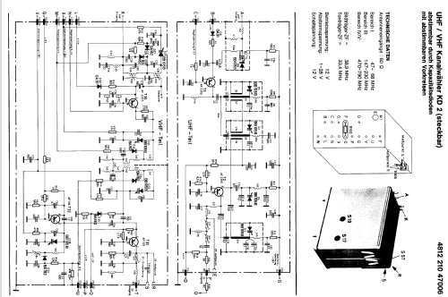
- 64 Dioden, 1 IC. Röhren teilweise mehrfach vorhanden. Tuner mit Kapazitätsdioden für VHF und UHF.
- Mentioned in
- -- Original-techn. papers.
- Literature/Schematics (1)
- -- Schematic
- Author
- Model page created by Franz Born †. See "Data change" for further contributors.
- Other Models
-
Here you find 2548 models, 2260 with images and 1566 with schematics for wireless sets etc. In French: TSF for Télégraphie sans fil.
All listed radios etc. from Philips Radios - Deutschland