EL3302A /15P
Philips - Österreich
- País
- Austria
- Fabricante / Marca
- Philips - Österreich
- Año
- 1969 ?
- Categoría
- Registrador o reproductor de sonido o visual
- Radiomuseum.org ID
- 204656
Haga clic en la miniatura esquemática para solicitarlo como documento gratuito.
- Numero de transistores
- Hay semiconductores.
- Semiconductores
- Principio principal
- Amplificador de Audio
- Gama de ondas
- - no hay
- Especialidades
- Grabador y/o Reprod de cassetes
- Tensión de funcionamiento
- Pilas / C: 5 x 1,5 / 7,5 Volt
- Altavoz
- Altavoz dinámico (de imán permanente) / Ø 6 cm = 2.4 inch
- Material
- Plástico moderno (Nunca bakelita o catalina)
- de Radiomuseum.org
- Modelo: EL3302A /15P - Philips - Österreich
- Forma
- Portátil de bolsillo , menor de 20cm.
- Ancho, altura, profundidad
- 115 x 55 x 200 mm / 4.5 x 2.2 x 7.9 inch
- Mencionado en
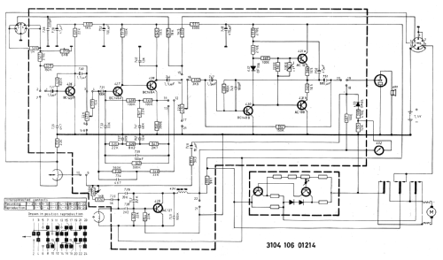
- -- Schematic
- Autor
- Modelo creado por Mike Edwards † 25.10.21. Ver en "Modificar Ficha" los participantes posteriores.
- Otros modelos
-
Donde encontrará 1077 modelos, 1011 con imágenes y 854 con esquemas.
Ir al listado general de Philips - Österreich
Colecciones
El modelo es parte de las colecciones de los siguientes miembros.