Fernseh-Prüfgenerator GM2891 /60
Philips; Eindhoven (tubes international!); Miniwatt
- País
- Holanda
- Fabricante / Marca
- Philips; Eindhoven (tubes international!); Miniwatt
- Año
- 1960 ??
- Categoría
- Aparato de medida y servicio (Equipo de laboratorio).
- Radiomuseum.org ID
- 224919
Haga clic en la miniatura esquemática para solicitarlo como documento gratuito.
- Numero de valvulas
- 13
- Numero de transistores
- Semiconductores
- OA81
- Gama de ondas
- Bandas de recepción puestas en notas.
- Tensión de funcionamiento
- Red: Corriente alterna (CA, Inglés = AC) / 110; 125; 145; 200; 220; 245 Volt
- Altavoz
- - - No hay salida de sonido.
- Material
- Metálico
- de Radiomuseum.org
- Modelo: Fernseh-Prüfgenerator GM2891 /60 - Philips; Eindhoven tubes
- Forma
- Sobremesa de tamaño mediano sin botonera <= 35 cm. (Incluso portables pero sólo con alimantación por red).
- Ancho, altura, profundidad
- 335 x 220 x 165 mm / 13.2 x 8.7 x 6.5 inch
- Anotaciones
-
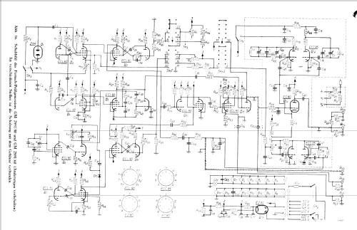
TV-Service-Oszillator bzw. Bildmustergenerator nach FCC Norm.
Frequenzbereiche: 45-90 MHz, 170-225 MHz, Zeilenfrequenz 15750 Hz, Rasterfrequenz 60 Hz. Bildmodulation negativ, Bild-Ton-Abstand 4.5 MHz, Ton-Modulation FM.
Röhren nur einmal genannt. Bestückung 9 x ECL80, 2 x ECC85, 1 x EC80, und 1 x EZ80.
Siehe auch GM2891 /50 für CCIR-Norm.
- Peso neto
- 9 kg / 19 lb 13.2 oz (19.824 lb)
- Precio durante el primer año
- 995.00 DM
- Procedencia de los datos
- -- Original-techn. papers.
- Autor
- Modelo creado por Rudolf Müller. Ver en "Modificar Ficha" los participantes posteriores.
- Otros modelos
-
Donde encontrará 5279 modelos, 4427 con imágenes y 3461 con esquemas.
Ir al listado general de Philips; Eindhoven (tubes international!); Miniwatt
Colecciones
El modelo Fernseh-Prüfgenerator es parte de las colecciones de los siguientes miembros.