Goya 66 / Goya S D26K962 Ch= K7N

Philips Radios - Deutschland

  • Jahr
  • 1970/1971
  • Kategorie
  • Fernseh-Empfänger/Monitor
  • Radiomuseum.org ID
  • 104654
    • Marke: Deutsche Philips-Ges.

Klicken Sie auf den Schaltplanausschnitt, um diesen kostenlos als Dokument anzufordern.

 Technische Daten

  • Anzahl Röhren
  • 14
  • Anzahl Transistoren
  • 54
  • Halbleiter
  • Hauptprinzip
  • Superhet allgemein
  • Wellenbereiche
  • VHF/UHF (siehe Bemerkungen)
  • Spezialitäten
  • Fernbed/-steuerung (Radio etc.)
  • Betriebsart / Volt
  • Wechselstromspeisung / 220 Volt
  • Lautsprecher
  • Dynamischer LS, keine Erregerspule (permanentdynamisch)
  • Material
  • Gerät mit Holzgehäuse

Die GFGF Zeitschrift Funkgeschichte bringt interessante Artikel zu Radios, Funkwesen und Medien. Bei Radiomuseum.org finden Sie die vollständigen Hefte früherer Ausgaben als PDF zum Download.

  • von Radiomuseum.org
  • Modell: Goya 66 / Goya S D26K962 Ch= K7N - Philips Radios - Deutschland
  • Form
  • Tischgerät-gross, - Querformat (breiter als hoch oder quadratisch).
  • Abmessungen (BHT)
  • 740 x 530 x 585 mm / 29.1 x 20.9 x 23 inch
  • Bemerkung
  • 61 Dioden, 1 IC. Röhren teilweise mehrfach vorhanden. Tuner mit Kapazitätsdioden für VHF und UHF.

    Gehäusefarben:
    D26K992 /02 = dunkel
    D26K992 /05 = weiß
    D26K992 /06 = dunkel

  • Nettogewicht
  • 51 kg / 112 lb 5.4 oz (112.335 lb)
  • Originalpreis
  • 2,398.00 DM
  • Literaturnachweis
  • -- Original-techn. papers.
  • Literatur/Schema (1)
  • -- Schematic
  • Literatur/Schema (4)
  • -- Schematic
  • Autor
  • Modellseite von Franz Born † angelegt. Siehe bei "Änderungsvorschlag" für weitere Mitarbeit.

 Sammlungen | Museen | Literatur

 Forum

Forumsbeiträge zum Modell: Philips Radios -: Goya 66 / Goya S D26K962 Ch= K7N

Threads: 2 | Posts: 2

Liebe Sammlerkollegen,

veranlasst durch meine wichtigen Hinweise zum Philips Farbfernseher-Chassis K9, wurde ich gebeten, Erfahrungen aus der Reparaturpraxis anderer Philips-Chassis weiterzugeben. Hier also meine allgemeinen Hinweise zum Chassis K7N:

Typische Schwachstellen sind:

1. Netzteil: Die beiden Gleichrichterdioden BY127 für das Anodenspannungs-Netzteil werden durch vorgeschaltete NTC-Widerstände vor dem Einschaltstromstoß geschützt. Das funktioniert aber nur bei kaltem Gerät. Schaltet man ein betriebswarmes Gerät aus und dann sofort wieder ein, fliegt meistens die Sicherung heraus, und mindestens eine der Gleichrichterdioden bekommt einen Kurzschluss. Meistens brennt dann auch noch ein NTC ab. Vorsorglich sollte man dann beide Dioden erneuern. Problematischer ist der Ersatz der NTCs, die oft auch als ein Doppel-NTC mit Mittelabgriff verbaut sind. An Originalteile ist kaum heranzukommen; ein Ersatzteil aus dem Chassis K8D geht aber auch. Evtl. sind entsprechende Teile aus neueren Schaltnetzteilen auch geeignet. Die oft propagierte Methode, die NTCs einfach durch Hochlastwiderstände von ca. 5 Ohm zu ersetzen, hat bei mir nie geklappt: Beim ersten Einschalten ging gleich wieder alles kaputt. In einem speziellen Fall habe ich dann tatsächlich ein kleines, anzugverzögertes Relais eingebaut, das einen zusätzlichen, hohen Einschalt-Vorwiderstand für den regulären Betrieb überbrückte.

2. Halbwellenheizung: Die Heizkette wird als Halbwellenheizung betrieben, indem die Netzspannung gleichgerichtet wird. Bekommt die verantwortliche Diode Kurzschluss, dann werden die zugehörigen Röhren stark überheizt.  Das Dumme ist nur, dass man das als Benutzer nicht mitbekommt. Das Gerät läuft weiter, aber der Röhrensatz wird innerhalb kurzer Zeit regelrecht verheizt. Deshalb wurde später eine Warnschaltung eingebaut, die im Fehlerfall einen lauten Brummton in der NF-Endstufe erzeugt und so den Benutzer zum Abschalten zwingt. Nur habe ich schon Werkstätten gesehen, die dann einfach die Warnschaltung abklemmten, ohne den eigentlichen Fehler gefunden zu haben...

3. Synchrondemodulatoren: In den Synchrondemodulatoren gibt es kleine Elkos, die im Laufe der Zeit die Kapazität verloren haben. Als Folge erscheinen die Farben "irgendwie schwach und merkwürdig". Der Fehler ist nicht selten, die Ursache aber fast niemandem bekannt. Ich habe auch lange danach suchen müssen.

4. Starker Röhrenverschleiß PCF200: Die drei PCF200 der Farbdifferenzendstufen sind sehr stark belastet und oft schon fast taub. Man merkt das zwar an den Arbeitspunkten der Endstufen, aber die nachfolgenden Klemmschaltungen sorgen dafür, dass sich der Arbeitspunkt der Bildröhre nicht verschiebt. Es fällt aber auf, dass dann die Farben, wie in Punkt 3., "irgendwie schwach und merkwürdig" sind.

5. PL802-Kathodenleiterbahn: Bleibt der Bildschirm schwarz, liegt es nicht selten daran, dass die Kathodenleiterbahn der Leuchtdichte-Endstufe PL802, die auch mitten durch die Fassung verläuft, unterbrochen ist. Schon nach nicht allzu langer Betriebszeit verkohlt die Platine im Bereich der PL802 durch die hohe thermische Belastung. Manchmal kommt einem sogar schon die ganze Fassung entgegen. Folgeschäden passieren i.a. aber nicht. Am besten einfach alles mit Draht wieder gut und reichlich anschließen, und es geht wieder alles.

6. Zeilentrafo: Ein ganz böses Kapitel! Ich kenne fast keinen K7N, der heute noch funktioniert. Fast immer hat der Zeilentrafo Windungsschluss, meistens auf der Hochspannungsseite, was schon von Weitem durch herausquellende Vergussmasse sicht- und geruchsmäßig feststellbar ist. Aber auch der Primärwickel ist oft betroffen, wenn auch nicht so spektakulär sichtbar. Das Problem ist immer die im Laufe der Zeit versprödete Vergussmasse. Oft ziehen sich Risse quer durch den ganzen Primärwickel, und wenn man das Licht ausmacht, dann sieht man sogar im Wickel ein blaues Leuchten!
Was man gegen den Zeilentrafotod machen kann, kann ich auch nicht mit Bestimmtheit sagen. Dazu gibt es im Internet mehrere "Patentrezepte", über deren Wirksamkeit ich aber keine Angaben machen kann. Sicher hilft es, den Trafo vor dem Betrieb mit einem Föhn schön auf Betriebstemperatur zu bringen, um eingedrungene Feuchtigkeit zu vertreiben. Überhaupt ist Feuchtigkeit und langes Herumstehen Gift für den Zeilentrafo. Am besten ist es, wenn man einen K7N regelmäßig benutzt.

7. Nochmal Netzteil, Brandgefahr: Regelmäßiger Betrieb ist das beste Mittel, um die Netzteil-Elkos bei Laune zu halten, damit sie sich nicht nach längerer Betriebspause unzulässig erhitzen. Gerade vor kurzem habe ich von einem solchen Fall erfahren, wo ein gut erhaltener K7N in Flammen aufgegangen ist, nur weil seine Netzelkos sich sehr stark erhitzt hatten.

Also: Nie solch einen alten Apparat unbeaufsichtigt laufen lassen, auch nicht für ein paar Minuten!

Die Reparatur eines solchen Gerätes erfordert sehr solide Fachkenntnisse. Laien sollten besser die Finger davon lassen! Ist ein solches Gerät aber in Ordnung, erfreut es den Besitzer durch ein vergleichsweise sehr gutes Farbbild, dank der ausgezeichneten Valvo- oder Philips-Bildröhren sogar noch nach so langer Zeit! Auch der Ton ist wunderbar.

Gruss,

Andreas Steinmetz

Andreas Steinmetz, 16.Dec.09

Weitere Posts (1) zu diesem Thema.

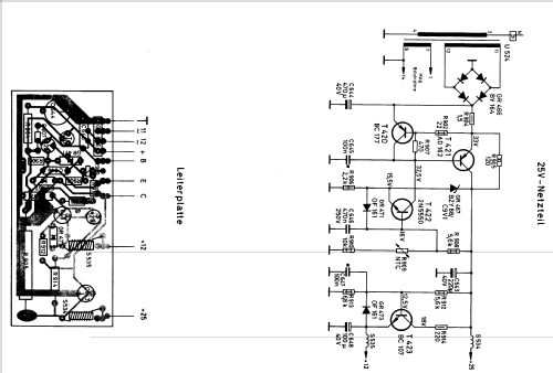
Die im Schaltbild 1b am Horizontal-Oszillator (Rö 408T) handschriftlich eingetragenen Werte sind gültig, wenn das Gerät für die Videorecorder-Wiedergabe nachgerüstet wurde. R1170 wird  von 470 k auf 220K verändert, R1172 wird von 18k auf 33k verändert , und C785 wird von 470nF auf 68nF verändert.

Franz Born †, 01.Sep.06

Weitere Posts (1) zu diesem Thema.