L3S75B Ch= T2
Philips, Svenska AB, Stockholm
- Paese
- Svezia
- Produttore / Marca
- Philips, Svenska AB, Stockholm
- Anno
- 1957 ?
- Categoria
- Radio (o sintonizzatore del dopoguerra WW2)
- Radiomuseum.org ID
- 163873
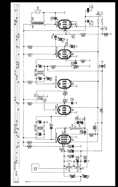
Clicca sulla miniatura dello schema per richiederlo come documento gratuito.
- Numero di tubi
- 5
- Principio generale
- Supereterodina (in generale); ZF/IF 452 kHz
- Gamme d'onda
- Onde medie (OM) e onde lunghe (OL).
- Tensioni di funzionamento
- Batterie a secco / 3 × 1,5 & 90 Volt
- Altoparlante
- AP magnetodinamico (magnete permanente e bobina mobile) / Ø 10 cm = 3.9 inch
- Potenza d'uscita
- 0.15 W (max.)
- Materiali
- Pelle / stoffa / plastica ma con altro materiale sottostante
- Radiomuseum.org
- Modello: L3S75B Ch= T2 - Philips, Svenska AB, Stockholm
- Forma
- Apparecchio portatile > 20 cm (senza la necessità di una rete)
- Dimensioni (LxAxP)
- 308 x 210 x 95 mm / 12.1 x 8.3 x 3.7 inch
- Annotazioni
-
MW: 575-1580 kHz LW:170-260 kHz
Cover in nylon fabric : Brown, green or gray/red.
Chassis T2 is also used by models Dux B57 and Conserton B1509.
- Peso netto
- 2.4 kg / 5 lb 4.6 oz (5.286 lb)
- Fonte dei dati
- -- Original-techn. papers.
- Autore
- Modello inviato da Jose Ramon Rodriguez-Vazquez. Utilizzare "Proponi modifica" per inviare ulteriori dati.
- Altri modelli
-
In questo link sono elencati 241 modelli, di cui 221 con immagini e 111 con schemi.
Elenco delle radio e altri apparecchi della Philips, Svenska AB, Stockholm
Collezioni
Il modello fa parte delle collezioni dei seguenti membri.