- País
- Irlanda
- Fabricante / Marca
- Philips Electrical (Ireland) Ltd.; Dublin
- Año
- 1957 ?
- Categoría
- Radio - o Sintonizador pasado WW2
- Radiomuseum.org ID
- 222449
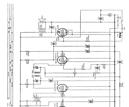
Haga clic en la miniatura esquemática para solicitarlo como documento gratuito.
- Numero de valvulas
- 5
- Principio principal
- Superheterodino en general; ZF/IF 452 kHz; 2 Etapas de AF
- Número de circuitos sintonía
- 6 Circuíto(s) AM
- Gama de ondas
- OM y OL
- Tensión de funcionamiento
- Baterías recargables o pilas / 1,5 & 90 Volt
- Altavoz
- Altavoz dinámico (de imán permanente)
- de Radiomuseum.org
- Modelo: LIF 345B - Philips Electrical Ireland Ltd
- Forma
- Portátil > 20 cm (sin la necesidad de una red)
- Ancho, altura, profundidad
- 264 x 210 x 81 mm / 10.4 x 8.3 x 3.2 inch
- Procedencia de los datos
- -- Original-techn. papers.
- Autor
- Modelo creado por Jose Casas-Avalos. Ver en "Modificar Ficha" los participantes posteriores.
- Otros modelos
-
Donde encontrará 26 modelos, 20 con imágenes y 11 con esquemas.
Ir al listado general de Philips Electrical (Ireland) Ltd.; Dublin