Maestro 4307 N4307/00
Philips - Österreich
- Land
- Österreich / Austria
- Hersteller / Marke
- Philips - Österreich
- Jahr
- 1968–1973
- Kategorie
- Ton-/Bildspeichergerät oder -Spieler
- Radiomuseum.org ID
- 28539
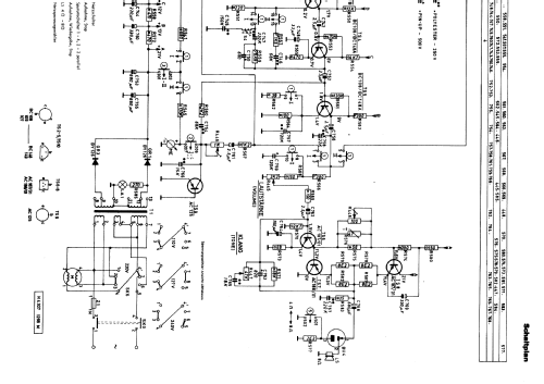
Klicken Sie auf den Schaltplanausschnitt, um diesen kostenlos als Dokument anzufordern.
- Anzahl Transistoren
- 9
- Halbleiter
- BC107 BC109 or. BC149 BC109 or. BC149 BC108 or. BC148 BC108 or. BC148 AC187 AC187 AC188 AC125 BY126
- Hauptprinzip
- NF-Verstärkung
- Wellenbereiche
- - ohne
- Spezialitäten
- Tonbandgerät
- Betriebsart / Volt
- Wechselstromspeisung / 110; 127; 220; 245 Volt
- Lautsprecher
- Dynamischer (permanent) Ovallautsprecher
- Belastbarkeit / Leistung
- 2.5 W (Qualität unbekannt)
- Material
- Diverses Material
- von Radiomuseum.org
- Modell: Maestro 4307 N4307/00 - Philips - Österreich
- Form
- Tischgerät-gross, - Querformat (breiter als hoch oder quadratisch).
- Abmessungen (BHT)
- 420 x 140 x 300 mm / 16.5 x 5.5 x 11.8 inch
- Bemerkung
- Vierspur-Mono. Bandgeschwindigkeit: 9,5 cm/s; Spulen-Ø: 18 cm; Übertragungsbereich: 80-14000 Hz.
In den VDRG-Handbüchern 1968-1970 nur als 4307, danach nur als N4307 geführt.
Dieses Gerät besitzt keine Endabschaltung. Siehe auch das ähnliche Gerät N4307/22 mit Endabschaltung.
- Nettogewicht
- 7.5 kg / 16 lb 8.3 oz (16.52 lb)
- Originalpreis
- 328.00 DM
- Datenherkunft extern
- Erb
- Literatur/Schema (1)
- -- Original-techn. papers.
- Weitere Modelle
-
Hier finden Sie 1077 Modelle, davon 1011 mit Bildern und 854 mit Schaltbildern.
Alle gelisteten Radios usw. von Philips - Österreich
Sammlungen
Das Modell Maestro 4307 befindet sich in den Sammlungen folgender Mitglieder.
Forumsbeiträge zum Modell: Philips - Österreich: Maestro 4307 N4307/00
Threads: 1 | Posts: 7
Liebe Sammlerkollegen,
ich habe ein Philips-Tonbandgerät Nr. 4307. Es hat zwei Defekte: Die Gummiriemen haben sich zu Brei aufgelöst. Die Ursache hierfür ist im RM bereits ausführlich erörtert. Ich habe also die Gummireste entfernt, Ersatzriemen beschafft und könnte jetzt alles zusammen setzen, wenn da nicht noch ein leidiges 2. Problem wäre: Die Bandbremsen waren ebenfalls aus demselben Gummi gefertigt und die rechte ist jetzt auch nur mehr Brei. Zwar kann ich sie ebenfalls wegputzen, aber: Wie bekomme ich dann mein Band gebremst? Hat da jemand eine Idee oder ggf. sogar Erfahrungen? Für Anregungen und Ideen bin ich ausgesprochen dankbar.
Anbei noch ein Bild von der linken, intakten Bandbremse.
Viele Grüße
Klaus Pahr
Anlagen
- Bandbremse (75 KB)
Klaus Pahr, 23.Jan.11