Musicmaker MM1
Philips Australia
- Land
- Australien
- Hersteller / Marke
- Philips Australia
- Jahr
- 1963
- Kategorie
- Rundfunkempfänger (Radio - oder Tuner nach WW2)
- Radiomuseum.org ID
- 225009
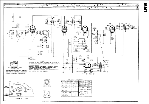
Klicken Sie auf den Schaltplanausschnitt, um diesen kostenlos als Dokument anzufordern.
- Anzahl Röhren
- 5
- Hauptprinzip
- Superhet allgemein; ZF/IF 455 kHz; 2 NF-Stufe(n)
- Anzahl Kreise
- 6 Kreis(e) AM
- Wellenbereiche
- Mittelwelle, keine anderen.
- Betriebsart / Volt
- Wechselstromspeisung / 200-250 Volt
- Lautsprecher
- Dynamischer LS, keine Erregerspule (permanentdynamisch)
- Material
- Plastikgehäuse (nicht Bakelit), Thermoplast
- von Radiomuseum.org
- Modell: Musicmaker MM1 - Philips Australia
- Form
- Tischgerät ohne Drucktasten, bis 35 cm Breite (Kleingerät, meist dekorativ. Nur für Netzbetrieb, doch Transportgriff möglich).
- Abmessungen (BHT)
- 13 x 6 x 5.625 inch / 330 x 152 x 143 mm
- Bemerkung
-
The Musicmaker MM1 is a updated version of the Futura-Five 224. The only main difference between the two models is the Musicmaker has provision for a pick-up.
See also the successor model Musicmaker MM1/01.
The cabinet of this model was available in five colours: Lilac, Green, White, Peach and Red.
- Originalpreis
- 27.30 AUS £
- Literatur/Schema (1)
- - - Manufacturers Literature (Philips Service Notes, June 1963.)
- Literatur/Schema (2)
- J.R. Publications Radio Service Handbook (R.V. Series Vol. 1, 1963, Page P65.)
- Autor
- Modellseite von Stuart Irwin angelegt. Siehe bei "Änderungsvorschlag" für weitere Mitarbeit.
- Weitere Modelle
-
Hier finden Sie 916 Modelle, davon 723 mit Bildern und 438 mit Schaltbildern.
Alle gelisteten Radios usw. von Philips Australia
Sammlungen
Das Modell Musicmaker befindet sich in den Sammlungen folgender Mitglieder.