N2235 /00 /15
Philips - Österreich
- Country
- Austria
- Manufacturer / Brand
- Philips - Österreich
- Year
- 1985 ??
- Category
- Sound/Video Recorder and/or Player
- Radiomuseum.org ID
- 155164
Click on the schematic thumbnail to request the schematic as a free document.
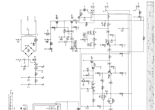
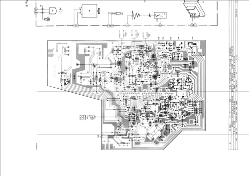
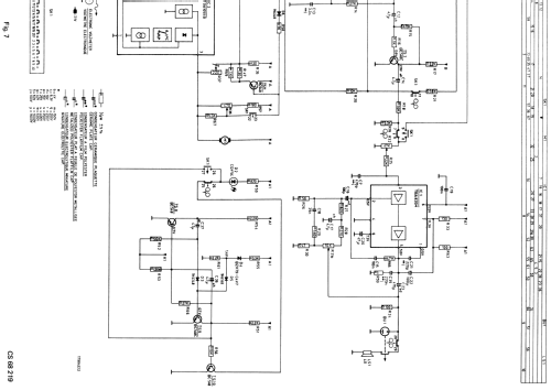
- Number of Transistors
- 11
- Semiconductors
- BC549 BC549 BC548 BC548 BC548 BC558 BC548 BC548 BC548 BC548 BC548 TBA820 TDA1059 1N4148 BZX79 BY164
- Main principle
- Audio-Amplification
- Wave bands
- - without
- Details
- Cassette-Recorder or -Player
- Power type and voltage
- Line / Batteries (any type) / 127, 220 / 6 × 1,5 Volt
- Loudspeaker
- Permanent Magnet Dynamic (PDyn) Loudspeaker (moving coil) / Ø 7 cm = 2.8 inch
- Power out
- 1.5 W (unknown quality)
- Material
- Plastics (no bakelite or catalin)
- from Radiomuseum.org
- Model: N2235 /00 /15 - Philips - Österreich
- Shape
- Portable set > 8 inch (also usable without mains)
- Dimensions (WHD)
- 200 x 70 x 290 mm / 7.9 x 2.8 x 11.4 inch
- Notes
- 2 Ausführungen: /00 und /15
ext. Lautsprecher Buchse, eingebautes Electretmikrofon. Eingänge für ext. Mikrofon / Phono / Line, Post-Fading Regler, Geschwindigkeitseinstellung regelbar, Tonregler, Zählwerk, Led-Anzeige für Aufnahme und Batterie Check.
- Net weight (2.2 lb = 1 kg)
- 1.640 kg / 3 lb 9.8 oz (3.612 lb)
- Literature/Schematics (1)
- -- Original-techn. papers.
- Author
- Model page created by Museum Roggenhofer. See "Data change" for further contributors.
- Other Models
-
Here you find 1077 models, 1011 with images and 854 with schematics for wireless sets etc. In French: TSF for Télégraphie sans fil.
All listed radios etc. from Philips - Österreich
Collections
The model is part of the collections of the following members.