P255
Philips Canada
- Pays
- Canada
- Fabricant / Marque
- Philips Canada
- Année
- 1957 ??
- Catégorie
- Radio - ou tuner d'après la guerre 1939-45
- Radiomuseum.org ID
- 297820
Cliquez sur la vignette du schéma pour le demander en tant que document gratuit.
- No. de tubes
- 10
- Principe général
- Super hétérodyne avec étage HF; FI/IF 455 kHz; 3 Etage(s) BF
- Circuits accordés
- 7 Circuits MA (AM)
- Gammes d'ondes
- PO uniquement
- Particularités
- Tourne disque / changeur (châssis)
- Tension / type courant
- Alimentation Courant Alternatif (CA) / 117 Volt
- Haut-parleur
- 3 HP
- Puissance de sortie
- 5 W (sans distorsion)
- Matière
- Boitier en bois
- De Radiomuseum.org
- Modèle: P255 - Philips Canada
- Forme
- Console avec pieds bas < 50% de la hauteur
- Remarques
-
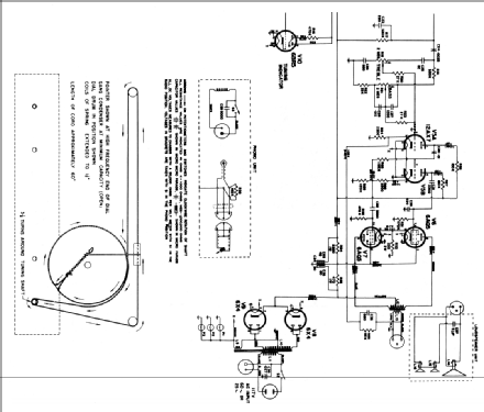
The Canadian Philips model P255 is a 10-tube combination radio / record changer console. Has internal plate antenna. For 25 or 60 Hz depending on nameplate rating.
- Littérature
- - - Manufacturers Literature
- Auteur
- Modèle crée par Tom Seeger. Voir les propositions de modification pour les contributeurs supplémentaires.
- D'autres Modèles
-
Vous pourrez trouver sous ce lien 165 modèles d'appareils, 93 avec des images et 139 avec des schémas.
Tous les appareils de Philips Canada