Rádio Gravador Estéro 06AR550 /00 /01 /02 /03
Philips do Brasil S.A.
- Paese
- Brasile
- Produttore / Marca
- Philips do Brasil S.A.
- Anno
- 1980 ??
- Categoria
- Radio (o sintonizzatore del dopoguerra WW2)
- Radiomuseum.org ID
- 295211
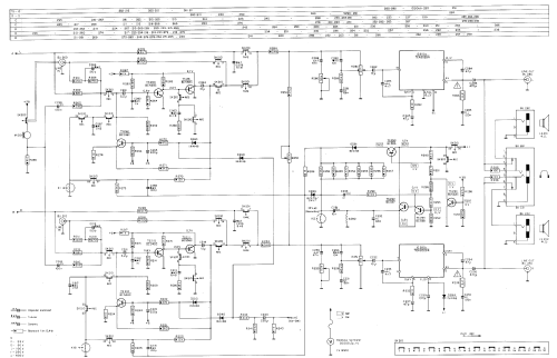
Clicca sulla miniatura dello schema per richiederlo come documento gratuito.
- Numero di transistor
- 16
- Semiconduttori
- BF494 BF494 BF494 BC549 BC548 BC548 BC549 BC558 BC548 BC556 BC337 BC558 BC548 BC549 BC558 BC548 TEA5570 BA1332 TEA2025 TDA1559 BA315 BA220 BZX79 1N4148
- Principio generale
- Supereterodina (in generale); ZF/IF 455/10700 kHz
- Gamme d'onda
- Onde medie (OM), 2 gamme di onde corte (2 x OC) e MF (FM).
- Particolarità
- Registratore o riprod a cassett
- Tensioni di funzionamento
- Rete / Batterie (ogni tipo) / 110; 220 / 6 x 1.5 (R14) Volt
- Altoparlante
- 2 altoparlanti
- Materiali
- Plastica (non bachelite o catalina)
- Radiomuseum.org
- Modello: Rádio Gravador Estéro 06AR550 /00 /01 /02 /03 - Philips do Brasil S.A.
- Forma
- Apparecchio portatile > 20 cm (senza la necessità di una rete)
- Dimensioni (LxAxP)
- 575 x 155 x 175 mm / 22.6 x 6.1 x 6.9 inch
- Annotazioni
-
Radio with cassette recorder/player
MW = 520 to 1605 kHz
FM = 88 to 108 MHz
SW1 = 2.2 to 7.4 MHz
SW2 = 9.3 to 22 MHzTape deck RU type (soft touch - mechanic action)
Internal electret microphone
Stereo line in input (2x cinch connectors on back cabinet)2 x detachable speaker box
FM stereo LED indicator
/00 : Vermelho (Red)
/01 : Vermelho (Red)
/02 : Prata (Silver)
/03: Prata (Silver)
- Letteratura / Schemi (1)
- - - Manufacturers Literature
- Autore
- Modello inviato da Antonio Rabitti. Utilizzare "Proponi modifica" per inviare ulteriori dati.
- Altri modelli
-
In questo link sono elencati 164 modelli, di cui 124 con immagini e 151 con schemi.
Elenco delle radio e altri apparecchi della Philips do Brasil S.A.