Radio-Recorder 470 22AR470
Philips - Österreich
- País
- Austria
- Fabricante / Marca
- Philips - Österreich
- Año
- 1977/1978
- Categoría
- Radio - o Sintonizador pasado WW2
- Radiomuseum.org ID
- 83381
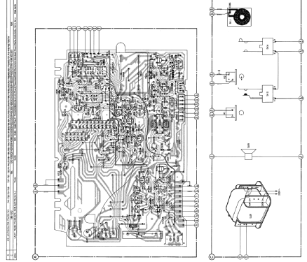
Haga clic en la miniatura esquemática para solicitarlo como documento gratuito.
- Numero de transistores
- 20
- Semiconductores
- Principio principal
- Superheterodino en general; ZF/IF 460/10700 kHz
- Gama de ondas
- OM y FM
- Especialidades
- Grabador y/o Reprod de cassetes
- Tensión de funcionamiento
- Red / Baterías o pilas / 110; 220 / 6 x 1,5 Volt
- Altavoz
- Altavoz dinámico (de imán permanente)
- Potencia de salida
- 3 W (unknown quality)
- Material
- Plástico moderno (Nunca bakelita o catalina)
- de Radiomuseum.org
- Modelo: Radio-Recorder 470 22AR470 - Philips - Österreich
- Forma
- Portátil > 20 cm (sin la necesidad de una red)
- Ancho, altura, profundidad
- 330 x 205 x 80 mm / 13 x 8.1 x 3.1 inch
- Anotaciones
-
Frequenzgang: 50-10000 Hz, eingebautes Mikrophon, nachträgliche Löschfunktion bei Wiedergabe.
IF AM:
- /00: 452 kHz
- /15: 470 kHz
- /19: 460 kHz.
- Peso neto
- 2.4 kg / 5 lb 4.6 oz (5.286 lb)
- Procedencia de los datos
- Handbuch VDRG 1977/1978 / Radiokatalog Band 2, Ernst Erb
- Documentación / Esquemas (1)
- -- Original-techn. papers.
- Autor
- Modelo creado por Hannes Wurnitsch. Ver en "Modificar Ficha" los participantes posteriores.
- Otros modelos
-
Donde encontrará 1077 modelos, 1011 con imágenes y 854 con esquemas.
Ir al listado general de Philips - Österreich
Colecciones
El modelo Radio-Recorder 470 es parte de las colecciones de los siguientes miembros.