Spatial Stereo D8212 /15
Philips - Österreich
- Paese
- Austria
- Produttore / Marca
- Philips - Österreich
- Anno
- 1982 ??
- Categoria
- Radio (o sintonizzatore del dopoguerra WW2)
- Radiomuseum.org ID
- 362854
Clicca sulla miniatura dello schema per richiederlo come documento gratuito.
- Numero di transistor
- A semiconduttori.
- Semiconduttori
- Principio generale
- Supereterodina (in generale)
- Gamme d'onda
- Onde medie (OM), lunghe (OL) e MF (FM).
- Particolarità
- Registratore o riprod a cassett
- Tensioni di funzionamento
- Alimentazione a corrente alternata (CA) / 50-60 Hz, 240 / D: 6 x 1.5 Volt
- Altoparlante
- 2 altoparlanti
- Materiali
- Plastica (non bachelite o catalina)
- Radiomuseum.org
- Modello: Spatial Stereo D8212 /15 - Philips - Österreich
- Forma
- Apparecchio portatile > 20 cm (senza la necessità di una rete)
- Annotazioni
-
Stereo Cassette Radio (AM/FM/LW)
United Kingdom version
See also D8212 /00 (Europe)
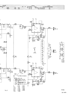
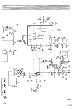
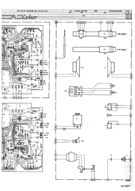
- Letteratura / Schemi (1)
- -- Original-techn. papers. (Service Manual, 4822 725 13728)
- Autore
- Modello inviato da Martin Kent. Utilizzare "Proponi modifica" per inviare ulteriori dati.
- Altri modelli
-
In questo link sono elencati 1077 modelli, di cui 1011 con immagini e 854 con schemi.
Elenco delle radio e altri apparecchi della Philips - Österreich