Stereo-Radio-Recorder Party Sound Machine D8274 /00 /02 /05
Philips - Österreich
- Country
- Austria
- Manufacturer / Brand
- Philips - Österreich
- Year
- 1988/1989
- Category
- Broadcast Receiver - or past WW2 Tuner
- Radiomuseum.org ID
- 291398
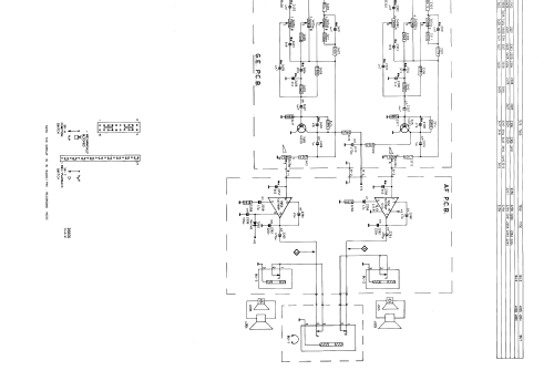
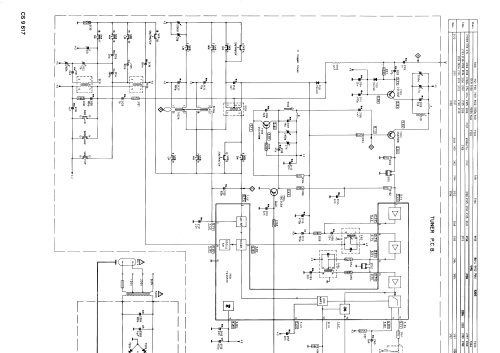
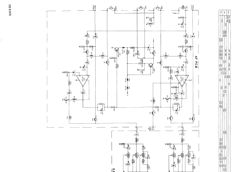
Click on the schematic thumbnail to request the schematic as a free document.
- Number of Transistors
- 9
- Semiconductors
- 2SC1047 2SA838 2SC1359 TBC548 BC548 BC337 BC546 1402B 1402B TEA5570 AN7411 AN7312 TA7769
- Main principle
- Superheterodyne (common); ZF/IF 468/10700 kHz
- Wave bands
- Broadcast, Long Wave, Short Wave plus FM or UHF.
- Details
- Cassette-Recorder or -Player
- Power type and voltage
- Line / Batteries (any type) / 120; 220; 240 / 6 × 1,5 Volt
- Loudspeaker
- 4 Loudspeakers
- Material
- Plastics (no bakelite or catalin)
- from Radiomuseum.org
- Model: Stereo-Radio-Recorder Party Sound Machine D8274 /00 /02 /05 - Philips - Österreich
- Shape
- Portable set > 8 inch (also usable without mains)
- Notes
-
- Price in first year of sale
- 1,790.00 ATS
- Mentioned in
- -- Original prospect or advert (Funkberaterkatalog 1988)
- Literature/Schematics (1)
- -- Original-techn. papers.
- Author
- Model page created by Wolfgang Bauer. See "Data change" for further contributors.
- Other Models
-
Here you find 1077 models, 1011 with images and 854 with schematics for wireless sets etc. In French: TSF for Télégraphie sans fil.
All listed radios etc. from Philips - Österreich