- Country
- Netherlands
- Manufacturer / Brand
- Philips; Eindhoven (tubes international!); Miniwatt
- Year
- 1969 ?
- Category
- Television Receiver (TV) or Monitor
- Radiomuseum.org ID
- 240681
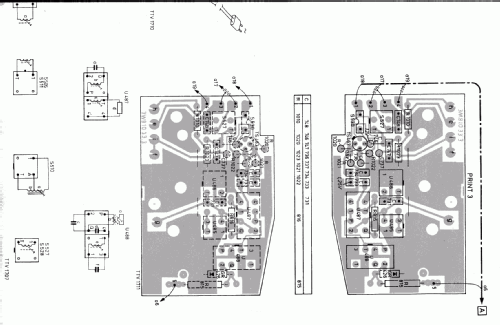
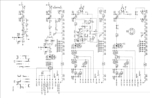
Click on the schematic thumbnail to request the schematic as a free document.
- Number of Tubes
- 14
- Valves / Tubes
- PCL86 PL84 PCF201 PCF200 PCF200 PFL200 PCF80 PCF802 PL504 PY88 DY87 PCH200 PCL85 A47-11W
- Number of Transistors
- 14
- Main principle
- Superheterodyne (common); 2 AF stage(s)
- Wave bands
- VHF incl. FM and/or UHF (see notes for details)
- Power type and voltage
- Alternating Current supply (AC) / 110; 127; 220 Volt
- Loudspeaker
- Permanent Magnet Dynamic (PDyn) Loudspeaker (moving coil)
- Material
- Wooden case
- from Radiomuseum.org
- Model: X19T652 /16 - Philips; Eindhoven tubes
- Shape
- Tablemodel, with any shape - general.
- Notes
-
- Transformerless audio output stage.
- CCIR, Belgian and French standards.
- VHF/UHF (tuner 4822 210 40098; for schematic: see documents with this model)
- Band I: 47-68 MHz.
- Band IIIa: 162.25-223 MHz.
- Band IIIb: 214.6-162 MHz.
- UHF: 470-890 MHz.
- Contains semiconductor diodes: 1 x BY127, 1 x OA47, 1 x OA90, 1 x OA85, 4 x OA81, 4 x BA100.
- Mentioned in
- -- Original-techn. papers.
- Author
- Model page created by Radiomuseum Olen Museum. See "Data change" for further contributors.
- Other Models
-
Here you find 5279 models, 4427 with images and 3461 with schematics for wireless sets etc. In French: TSF for Télégraphie sans fil.
All listed radios etc. from Philips; Eindhoven (tubes international!); Miniwatt