- Country
- Spain
- Manufacturer / Brand
- Philips Ibérica, COPRESA, Compañía de Productos Electrónicos, Miniwatt tubes, SELEZ; Madrid, Barcelona
- Year
- 1980
- Category
- Broadcast Receiver - or past WW2 Tuner
- Radiomuseum.org ID
- 206615
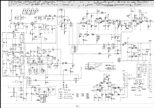
Click on the schematic thumbnail to request the schematic as a free document.
- Number of Transistors
- 14
- Main principle
- Superheterodyne (common); ZF/IF 470/10700 kHz
- Wave bands
- Broadcast, Long Wave and FM or UHF.
- Details
- Cassette-Recorder or -Player; Radio with other functions
- Power type and voltage
- Line / Batteries (any type) / 110-127; 220-240/ 6x 1,5 Volt
- Loudspeaker
- Permanent Magnet Dynamic (PDyn) Loudspeaker (moving coil)
- Power out
- 0.75 W (unknown quality)
- Material
- Plastics (no bakelite or catalin)
- from Radiomuseum.org
- Model: 22-ARC-33/15 - Philips Ibérica, COPRESA,
- Shape
- Portable set > 8 inch (also usable without mains)
- Notes
- Radio reloj. Clock radio.
Listado un único semiconductor por tipo.
- Literature/Schematics (1)
- -- Original-techn. papers.
- Author
- Model page created by Miguel Bravo-Cos. See "Data change" for further contributors.
- Other Models
-
Here you find 638 models, 532 with images and 469 with schematics for wireless sets etc. In French: TSF for Télégraphie sans fil.
All listed radios etc. from Philips Ibérica, COPRESA, Compañía de Productos Electrónicos, Miniwatt tubes, SELEZ; Madrid, Barcelona