- Paese
- Spagna
- Produttore / Marca
- Philips Ibérica, COPRESA, Compañía de Productos Electrónicos, Miniwatt tubes, SELEZ; Madrid, Barcelona
- Anno
- 1973
- Categoria
- Radio (o sintonizzatore del dopoguerra WW2)
- Radiomuseum.org ID
- 207139
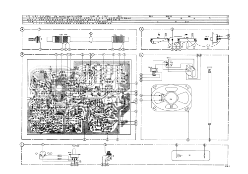
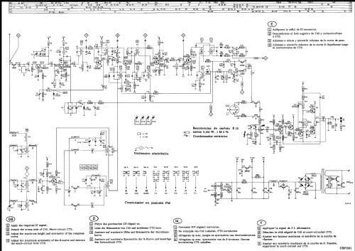
Clicca sulla miniatura dello schema per richiederlo come documento gratuito.
- Numero di transistor
- 13
- Principio generale
- Supereterodina (in generale); ZF/IF 460/10700 kHz
- Gamme d'onda
- Onde medie (OM), lunghe (OL), corte (OC) e MF (FM).
- Tensioni di funzionamento
- Rete / Batterie (ogni tipo) / 110; 220; 6x 1,5 Volt
- Altoparlante
- AP magnetodinamico (magnete permanente e bobina mobile)
- Potenza d'uscita
- 1 W (qualità ignota)
- Materiali
- Plastica (non bachelite o catalina)
- Radiomuseum.org
- Modello: 90-RL-414 /22 - Philips Ibérica, COPRESA,
- Forma
- Apparecchio portatile > 20 cm (senza la necessità di una rete)
- Dimensioni (LxAxP)
- 300 x 180 x 80 mm / 11.8 x 7.1 x 3.1 inch
- Annotazioni
- Listado un único semiconductor por tipo.
Each semiconductor type listed once.
- Letteratura / Schemi (1)
- -- Original-techn. papers.
- Autore
- Modello inviato da Miguel Bravo-Cos. Utilizzare "Proponi modifica" per inviare ulteriori dati.
- Altri modelli
-
In questo link sono elencati 638 modelli, di cui 532 con immagini e 469 con schemi.
Elenco delle radio e altri apparecchi della Philips Ibérica, COPRESA, Compañía de Productos Electrónicos, Miniwatt tubes, SELEZ; Madrid, Barcelona