- País
- España
- Fabricante / Marca
- Philips Ibérica, COPRESA, Compañía de Productos Electrónicos, Miniwatt tubes, SELEZ; Madrid, Barcelona
- Año
- 1980 ??
- Categoría
- Radio - o Sintonizador pasado WW2
- Radiomuseum.org ID
- 207142
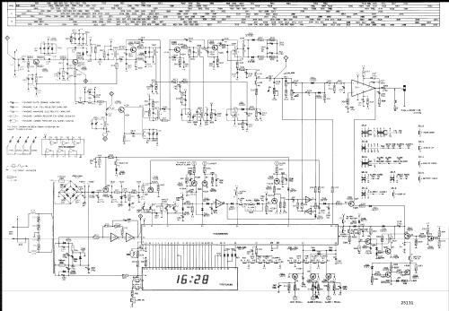
Haga clic en la miniatura esquemática para solicitarlo como documento gratuito.
- Numero de transistores
- 22
- Principio principal
- Superheterodino en general; ZF/IF 468/10700 kHz
- Gama de ondas
- OM y FM
- Tensión de funcionamiento
- Red: Corriente alterna (CA, Inglés = AC) / 220 & battery for clock back-up: 1 x 9 Volt
- Altavoz
- Altavoz dinámico (de imán permanente)
- Potencia de salida
- 0.45 W (unknown quality)
- Material
- Plástico moderno (Nunca bakelita o catalina)
- de Radiomuseum.org
- Modelo: D3420 /14 - Philips Ibérica, COPRESA,
- Forma
- Sobremesa con reloj o Radio despertador.
- Anotaciones
-
Listado un único semiconductor por tipo.
Each semiconductor listed once.
- Documentación / Esquemas (1)
- -- Original-techn. papers.
- Autor
- Modelo creado por Miguel Bravo-Cos. Ver en "Modificar Ficha" los participantes posteriores.
- Otros modelos
-
Donde encontrará 638 modelos, 532 con imágenes y 469 con esquemas.
Ir al listado general de Philips Ibérica, COPRESA, Compañía de Productos Electrónicos, Miniwatt tubes, SELEZ; Madrid, Barcelona